info

Nástrčná hlavice 1000V 12mm 56mm

Stahlwille
s DPH 688,- Kč
bez DPH 568,- Kč
Není skladem
Produktový list

Popis produktu

VDE sockets 1/2" HPQ® high performance steel, chrome plated VDE insulated up to 1000 V DIN EN 60900 [T AC/1000 V
Produktové číslo: 12179 VDE 12
Výrobce: Stahlwille

Varianty

Číslo Skladem A
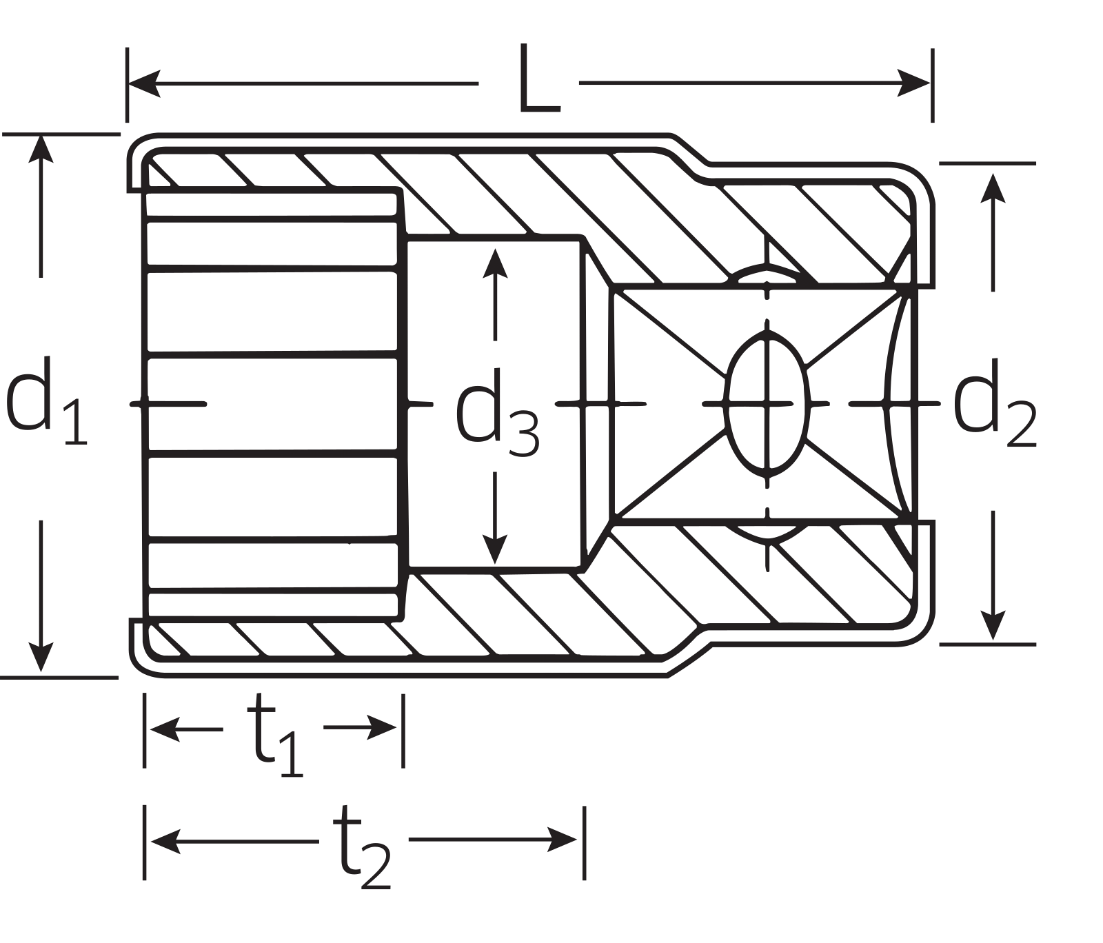
mm
d1
mm
d2
mm
d3
mm
L
mm
t1
mm
t2
mm
R
g
S
12179 VDE 10 0 10 19,5 27 9 56 9 22 60 1
12179 VDE 11 0 11 20,8 27 10 56 9,5 22 64 1
12179 VDE 12 0 12 22 27 11 56 13 22 64 1
12179 VDE 13 0 13 23,3 27 12 56 13 22 64 1
12179 VDE 14 0 14 24,9 27,7 13 56 13 20,5 70 1
12179 VDE 17 0 17 29 28,7 15,2 56 15 19,6 82 1
12179 VDE 19 0 19 31,2 30 18 56 16 21,7 98 1
12179 VDE 22 0 22 34,7 31 21 60 16,5 24,9 116 1
12179 VDE 24 0 24 37 31 21 60 18,5 24,9 130 1

Naposledy prohlížené

není skladem
MA HR002GM202
Makita

Aku kladivo s výměnným sklíčidlem a AWS Li-ion XGT 40V/4,0Ah

Spolehlivé aku kombinované kladivo pro nástroje SDS-Plus Technologie Li-ion XGT 40V umožňující extrémní zatížení stroje a dlouhou výdrž na jedno nabití akumulátoru Silný bezuhlíkový motor Antivibrační technologie AVT zaručuje velmi nízké vibrace stroje Elektronický systém AFT vypne motor v případě blokace nástroje Technologie AWS - možnost připojení aku vysavače DVC864 přes BlueTooth a automatické spuštění odsávání v případě zapnutí stroje Možnost bezprašné práce - spolehlivé odsávání díky adaptéru DX14 (není součást dodávky) Omezení množství příklepů při volnoběhu pro přesnou práci s minimem vibrací Síla jednotlivého úderu podle EPTA 2,9 J Elektronická regulace otáček LED osvětlení pracovní plochy Rychlovýměnné sklíčidlo Součástí dodávky jsou dva akumulátory, rychlonabíječka a Makpac Příslušenství Makpac (821552-6) Vložka Makpacu (835C84-5) 2 ks akumulátoru BL4040 (191B26-6) Rychlonabíječka DC40RA (630B63-0) Sklíčidlo SDS-Plus (199138-7) Rychlosklíčidlo (199139-5) Boční rukojeť (126882-3) Hloubkový doraz (331886-4) Tkaninová utěrka (443122-7) Mazací tuk (198993-4) Jednotka BlueTooth (198900-7) Technické parametry: Akumulátor Li-ion 40 V / 4,0 Ah Upínání nástroje upraveno pro SDS-Plus Otáčky naprázdno 0 - 980 min-1 Počet úderů naprázdno 0 - 5.000 min-1 Vrtací výkon (ocel|beton|dřevo O) 13 / 28 / 32 mm Síla jednotlivého úderu 2,9 J Hmotnost 4,6 kg Rozměry (DxŠxV) 404 x 102 x 238 mm
s DPH 22 990,- Kč bez DPH 19 000,- Kč