Popis produktu
VDE sockets 1/2" HPQ® high performance steel, chrome plated VDE insulated up to 1000 V DIN EN 60900 [T AC/1000 V
Produktové číslo: 12179 VDE 22
Výrobce: Stahlwille
Specifikace
Varianty
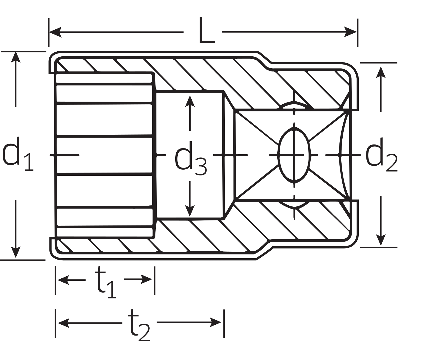
| Číslo | Skladem | A mm |
d1 mm |
d2 mm |
d3 mm |
L mm |
t1 mm |
t2 mm |
R g |
S |
|
|---|---|---|---|---|---|---|---|---|---|---|---|
| 12179 VDE 10 | 0 | 10 | 19,5 | 27 | 9 | 56 | 9 | 22 | 60 | 1 |
|
| 12179 VDE 11 | 0 | 11 | 20,8 | 27 | 10 | 56 | 9,5 | 22 | 64 | 1 |
|
| 12179 VDE 12 | 0 | 12 | 22 | 27 | 11 | 56 | 13 | 22 | 64 | 1 |
|
| 12179 VDE 13 | 0 | 13 | 23,3 | 27 | 12 | 56 | 13 | 22 | 64 | 1 |
|
| 12179 VDE 14 | 0 | 14 | 24,9 | 27,7 | 13 | 56 | 13 | 20,5 | 70 | 1 |
|
| 12179 VDE 17 | 0 | 17 | 29 | 28,7 | 15,2 | 56 | 15 | 19,6 | 82 | 1 |
|
| 12179 VDE 19 | 0 | 19 | 31,2 | 30 | 18 | 56 | 16 | 21,7 | 98 | 1 |
|
| 12179 VDE 22 | 0 | 22 | 34,7 | 31 | 21 | 60 | 16,5 | 24,9 | 116 | 1 |
|
| 12179 VDE 24 | 0 | 24 | 37 | 31 | 21 | 60 | 18,5 | 24,9 | 130 | 1 |
|