info

Nástrčná hlavice 5,5mm 23mm

Stahlwille
s DPH 169,- Kč
bez DPH 140,- Kč
Není skladem
Produktový list

Popis produktu

Nástrčná hlavice metrická: DIN 3124/ISO 2725-1, E DIN EN 3709, ASME B 107.5M, americká: ASME B 107.1, Fed. Spec. GGG-W-641, SAE AS 954-E (zkuební hodnoty), HPQ®-Ocel vysoké kvality, chromovaná.
Produktové číslo: 40 D 5,5
Výrobce: Stahlwille

Varianty

Číslo Skladem A
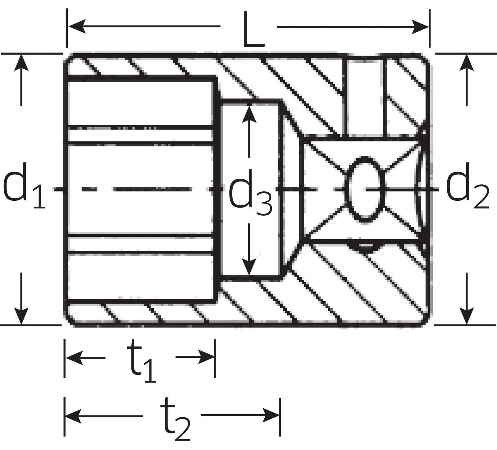
mm
d1
mm
d2
mm
d3
mm
L
mm
t1
mm
t2
mm
S
R
g
40D 5 1 5 7,9 10,7 4 23 4,5 15 10 9
40D 6 1 6 9,2 10,7 5 23 6 15 10 9
40D 7 1 7 10,7 10,7 6 23 6,5 13,4 10 10
40D 8 2 8 11,6 11,6 7 23 8 13,1 10 11
40D 9 1 9 12,8 12,8 8 23 8 12,8 10 13
40D 10 2 10 14,3 14,3 9 23 8 14,9 10 17
40D 11 1 11 15,5 15,5 10 23 9 14,6 10 19
40D 12 2 12 16,5 16,5 11 23 9,5 14,3 10 23
40D 13 3 13 17,8 17,8 12 23 9,5 14 10 25
40D 14 1 14 18,8 18,8 13 24 10 14,7 10 32
40 D 5,5 0 5,5 8,5 10,7 4,5 23 6 15 10 9

Naposledy prohlížené

není skladem
KN 7306160 T
Knipex

Kompaktní kleště na štípání drátu KNIPEX X-Cut s připevňovacím okem

Kompaktní a o 25 % lehčí. Silné a přesné Přesně štípou nejjemnější dráty i vícedrátové kabely a tvrdý pianový drát Průvlečný kloub: maximální stabilita při nízké hmotnosti Osa kloubu se zdvojeným uložením pro nejvyšší, trvalé namáhání Vysoký řezný výkon při vynaložení nepatrné síly díky optimálnímu přizpůsobení úhlu břitů a převodového poměru Úspora 40 % síly ve srovnání se standardními silovými kleštěmi na štípání drátu stejné délky Velká šířka rozevření na silnější kabely Přesný řez i u jemných měděných drátů Kompaktní, lehčená konstrukce Univerzálně použitelné při montáži, údržbě i ve výrobě Chromvanadová vysoce výkonná ocel, kovaná, kalená v oleji v několika stupních Model: Kleště s integrovaným izolovaným připevňovacím okem pro připevnění pojistky proti upadnutí Kleště chromované Rukojeti izolované s vícekomponentními dutinkami, odzkoušeny podle VDE, s integrovaným izolovaným připevňovacím okem pro připevnění pojistky proti upadnutí Norma izolací IEC 60900 DIN EN 60900 Řezné hodnoty, polotvrdý drát (průměr) 3,8 mm Řezné hodnoty, tvrdý drát (průměr) 2,7 mm Řezná hodnota, měděný kabel, vícevodičový (průměr) 12,0 mm Řezné hodnoty, měkký drát (průměr) 4,8 mm Řezné hodnoty, strunový drát (průměr) 2,2 mm Délka 160 mm Hmotnost netto 184 g
s DPH 2 029,- Kč bez DPH 1 677,- Kč