info

SADA ZÁVIT.VLOŽEK M8x1,25

Stahlwille
s DPH 1 009,- Kč
bez DPH 834,- Kč
SKLADEM
Produktový list

Popis produktu

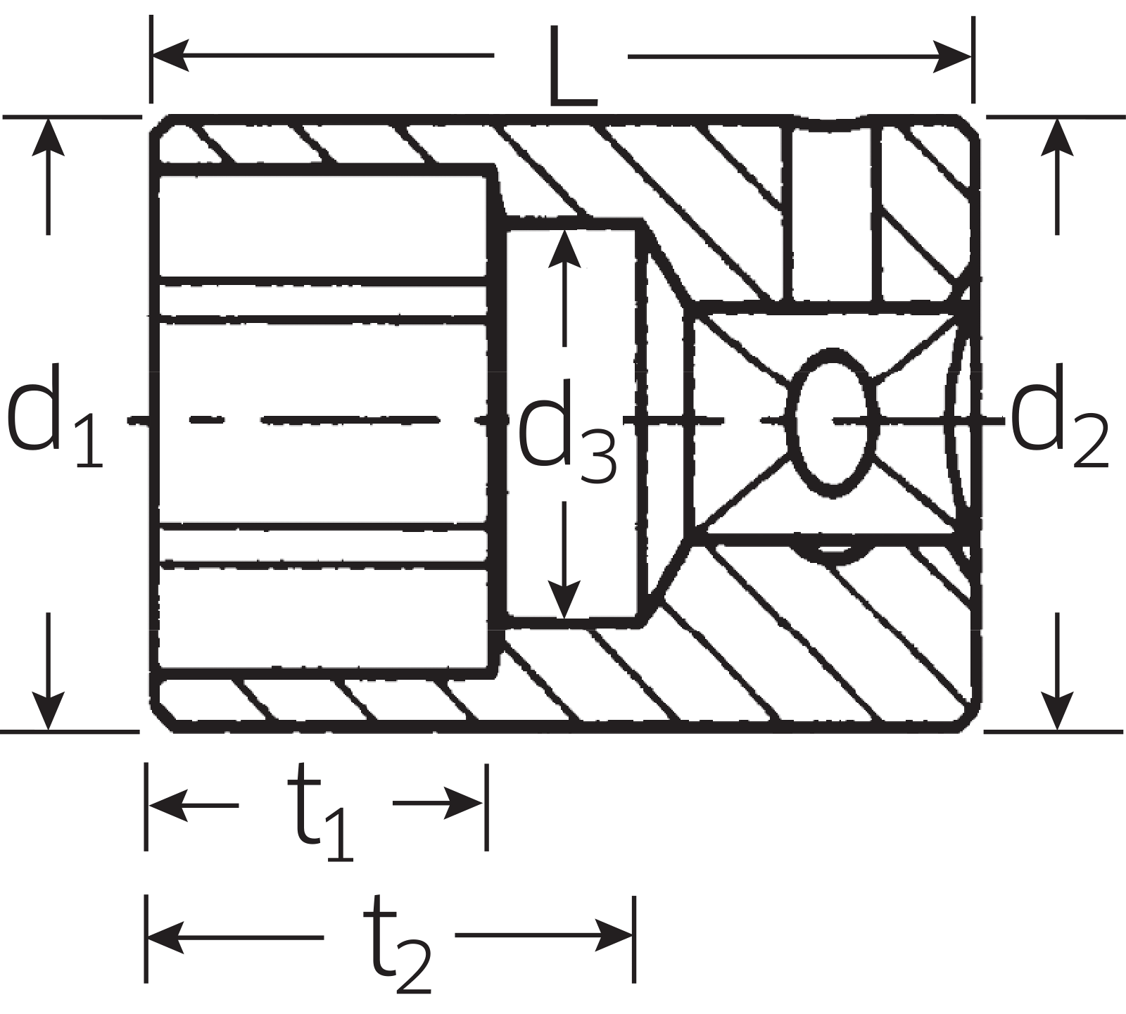
Nástrčná hlavice metrická: DIN 3124/ISO 2725-1, ASME B 107.5M, E DIN EN 3709 (zkuební hodnoty), americká: ASME B 107.1, Fed. Spec. GGG-W-641, SAE AS 954-E (zkuební hodnoty), HPQ® ocel vysoké kvality, chromovaná.
Produktové číslo: 4012
Výrobce: Stahlwille

Varianty

Číslo Skladem A
mm
d1
mm
d2
mm
d3
mm
L
mm
t1
mm
t2
mm
S
R
g
404 2 4 6,7 10,7 3,2 23 3,5 15 10 9
40 5 0 5 7,9 10,7 4 23 4,5 15 10 8
406 12 6 9,2 10,7 5 23 6 15 10 9
407 2 7 10,7 10,7 6 23 6,5 13,4 10 10
40 8 1 8 11,6 11,6 7 23 8 13,1 10 11
409 3 9 12,8 12,8 8 23 8 12,8 10 14
4010 7 10 14,3 14,3 9 23 8 14,9 10 17
4011 3 11 15,5 15,5 10 23 9 14,6 10 19
4012 4 12 16,5 16,5 11 23 9,5 14,3 10 24
4013 2 13 17,8 17,8 12 23 9,5 14 10 26
4014 1 14 18,8 18,8 13 24 10 14,7 10 32
40 3,2 1 3,2 5,6 10,7 2,5 23 2 15 10 8
40 3,5 1 3,5 6 10,7 2,5 23 2,5 15 10 8
40 4,5 1 4,5 7,3 10,7 3,7 23 4 15 10 9
40 5,5 0 5,5 8,5 10,7 4,5 23 6 15 10 9

Naposledy prohlížené

není skladem
Wiha

Odplášťovací nástroj se samostatně se otáčejícím vlečeným nožem na kruhové kabely

Usnadní vám práci.: Dokonalá manipulace díky ergonomickému tvaru rukojeti.Šetří čas: Automatické nastavení pro kruhový a přímý řez.Šetří čas: Rychlá výměna vlečného nože díky okamžitě dostupným náhradním břitům v rukojeti.Zvýší vaši efektivnost: Odpláštění všech běžných průřezů díky plynulému nastavování.Použití: K přesnému, rychlému a bezpečnému odplášťování všech běžných kruhových kabelů s průměrem 4–28 mm.Při instalacích v elektrických zařízeních je každou chvíli nutné zkracovat nebo odplášťovat kabely. Ve výbavě vám proto nesmí chybět odplášťovací nástroj. Odplášťovací nástroj Wiha zaručuje přesné, rychlé a bezpečné odpláštění. Díky hloubce řezu plynule nastavitelné seřizovacím šroubem je možné komfortně odizolovat všechny běžné kruhové kabely s průřezem od 4 do 28 mm. Nástroj se díky samostatně se otáčejícímu vnitřnímu noži automaticky přestavuje z kruhového na podélný řez. Bezpečné vedení kabelu navíc zajistí samoupínací přidržovací třmen. Bezpečnostní krytka zakrývá nůž s hákovou čepelí během přepravy a skladování. Díky velkému průměru rukojeti odplášťovací nástroj při používání vždy dokonale padne do ruky. Dále je v rukojeti nástroje obsažena rezervní čepel.
s DPH od 546,- Kč bez DPH od 451,64 Kč