Popis produktu
Nástrčná hlavice metrická: DIN 3124/ISO 2725-1, ASME B 107.5M, E DIN EN 3709 (zkuební hodnoty), americká: ASME B 107.1, Fed. Spec. GGG-W-641, SAE AS 954-E (zkuební hodnoty), HPQ® ocel vysoké kvality, chromovaná.
Produktové číslo: 4013
Výrobce: Stahlwille
Specifikace
Varianty
| Číslo | Skladem | A mm |
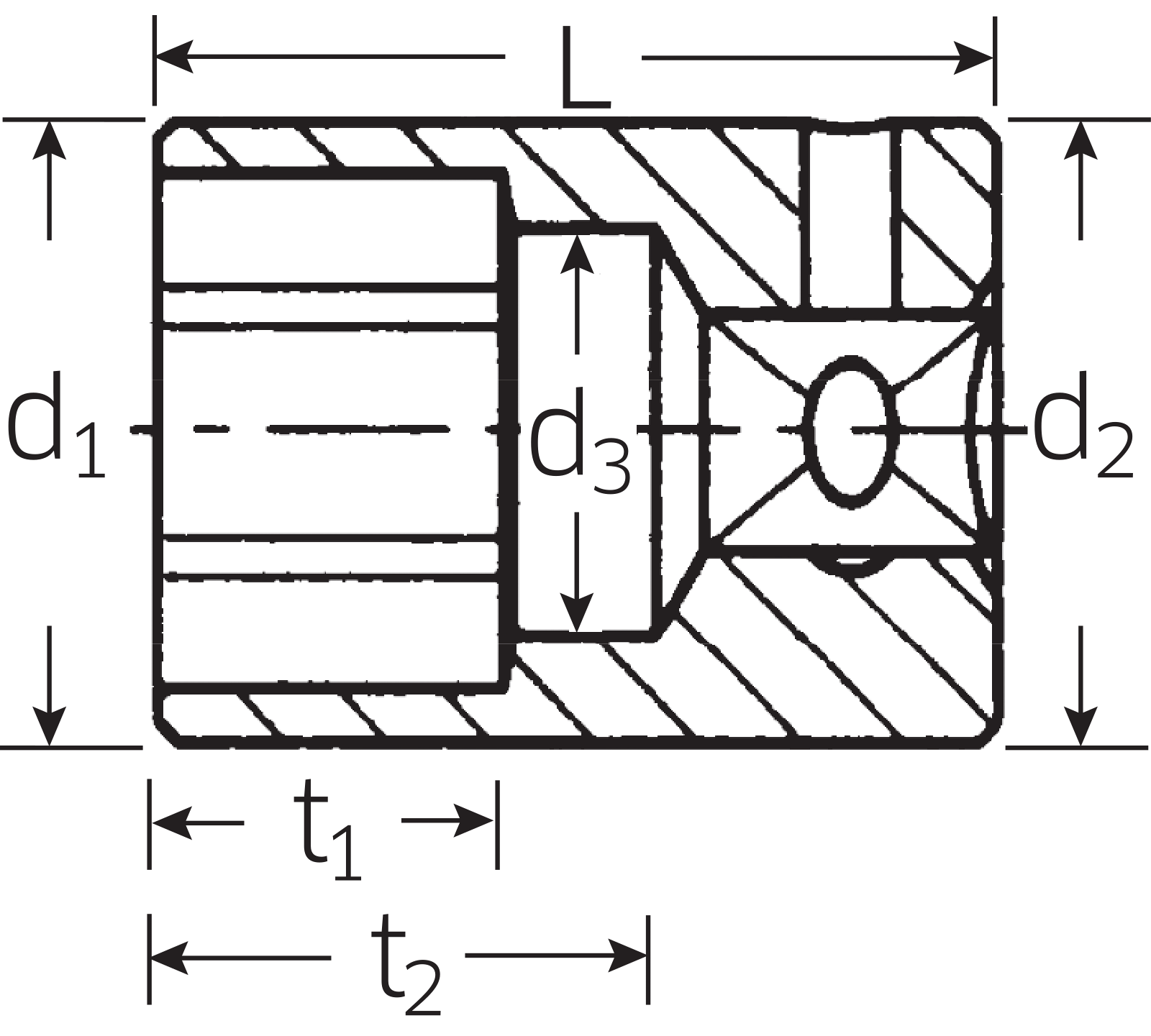
d1 mm |
d2 mm |
d3 mm |
L mm |
t1 mm |
t2 mm |
S |
R g |
|
|---|---|---|---|---|---|---|---|---|---|---|---|
| 404 | 2 | 4 | 6,7 | 10,7 | 3,2 | 23 | 3,5 | 15 | 10 | 9 |
|
| 40 5 | 1 | 5 | 7,9 | 10,7 | 4 | 23 | 4,5 | 15 | 10 | 8 |
|
| 406 | 12 | 6 | 9,2 | 10,7 | 5 | 23 | 6 | 15 | 10 | 9 |
|
| 407 | 3 | 7 | 10,7 | 10,7 | 6 | 23 | 6,5 | 13,4 | 10 | 10 |
|
| 40 8 | 2 | 8 | 11,6 | 11,6 | 7 | 23 | 8 | 13,1 | 10 | 11 |
|
| 409 | 3 | 9 | 12,8 | 12,8 | 8 | 23 | 8 | 12,8 | 10 | 14 |
|
| 4010 | 6 | 10 | 14,3 | 14,3 | 9 | 23 | 8 | 14,9 | 10 | 17 |
|
| 4011 | 3 | 11 | 15,5 | 15,5 | 10 | 23 | 9 | 14,6 | 10 | 19 |
|
| 4012 | 4 | 12 | 16,5 | 16,5 | 11 | 23 | 9,5 | 14,3 | 10 | 24 |
|
| 4013 | 2 | 13 | 17,8 | 17,8 | 12 | 23 | 9,5 | 14 | 10 | 26 |
|
| 4014 | 1 | 14 | 18,8 | 18,8 | 13 | 24 | 10 | 14,7 | 10 | 32 |
|
| 40 3,2 | 1 | 3,2 | 5,6 | 10,7 | 2,5 | 23 | 2 | 15 | 10 | 8 |
|
| 40 3,5 | 1 | 3,5 | 6 | 10,7 | 2,5 | 23 | 2,5 | 15 | 10 | 8 |
|
| 40 4,5 | 1 | 4,5 | 7,3 | 10,7 | 3,7 | 23 | 4 | 15 | 10 | 9 |
|
| 40 5,5 | 0 | 5,5 | 8,5 | 10,7 | 4,5 | 23 | 6 | 15 | 10 | 9 |
|