info

PŘÍČNÉ DRŽADLO

Stahlwille
s DPH 427,- Kč
bez DPH 353,- Kč
SKLADEM
Produktový list

Popis produktu

Nástrčná hlavice metrická: DIN 3124/ISO 2725-1, ASME B 107.5M, E DIN EN 3709 (zkuební hodnoty), americká: ASME B 107.1, Fed. Spec. GGG-W-641, SAE AS 954-E (zkuební hodnoty), HPQ® ocel vysoké kvality, chromovaná.
Produktové číslo: 404
Výrobce: Stahlwille

Varianty

Číslo Skladem A
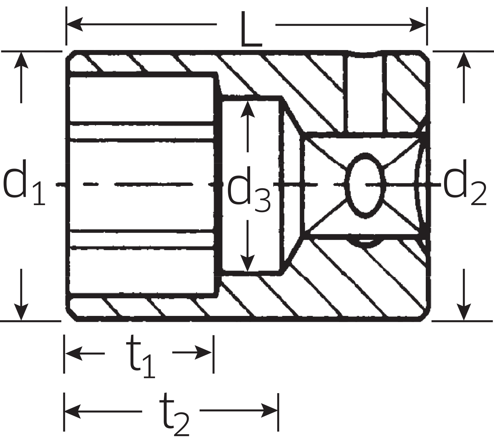
mm
d1
mm
d2
mm
d3
mm
L
mm
t1
mm
t2
mm
S
R
g
404 2 4 6,7 10,7 3,2 23 3,5 15 10 9
40 5 0 5 7,9 10,7 4 23 4,5 15 10 8
406 12 6 9,2 10,7 5 23 6 15 10 9
407 2 7 10,7 10,7 6 23 6,5 13,4 10 10
40 8 1 8 11,6 11,6 7 23 8 13,1 10 11
409 3 9 12,8 12,8 8 23 8 12,8 10 14
4010 7 10 14,3 14,3 9 23 8 14,9 10 17
4011 3 11 15,5 15,5 10 23 9 14,6 10 19
4012 4 12 16,5 16,5 11 23 9,5 14,3 10 24
4013 2 13 17,8 17,8 12 23 9,5 14 10 26
4014 1 14 18,8 18,8 13 24 10 14,7 10 32
40 3,2 1 3,2 5,6 10,7 2,5 23 2 15 10 8
40 3,5 1 3,5 6 10,7 2,5 23 2,5 15 10 8
40 4,5 1 4,5 7,3 10,7 3,7 23 4 15 10 9
40 5,5 0 5,5 8,5 10,7 4,5 23 6 15 10 9

Naposledy prohlížené

není skladem
Wiha

WIHA DUTINKY VODIčů S PLASTOVýM LíMCEM, SADA

Usnadní vám práci.: Jednoduché odebírání a bezpečné uchovávání díky sypátku se zaskakujícím šroubovým uzávěrem.Zvýší vaši efektivnost: Ideální pro mobilní nasazení díky kompaktnímu, stohovatelnému sypátku.Zvyšuje vaši bezpečnost: Zabránění přetržení kabelů díky chráněným samostatným lankům.Usnadňuje manipulaci: Jednoduché a rychlé zavedení kabelu díky trychtýřové objímce.Zvyšuje vaši bezpečnost: Vysoká tepelná odolnost až do 105 °C. Zvyšuje bezpečnost procesu: Konstantně vysoká kvalita zpracování pro trvalou bezpečnost kontaktů.Použití: Ideální pro připojování jemně laněných vodičů, zejména u svorek. Speciální dutinka pro připojení dvou vodičů.Právě u připojení jemných vodičů ve svorkách musí elektrikáři dbát, aby nebyly jednotlivé vodiče rozmačkány nebo špatně zasunuty. V opačném případě hrozí přetržení kabelů nebo dokonce i zkraty, které v neposlední řadě představují potenciální příčinu požáru. Dutinky vodičů tomu mohou zabránit a zajistit bezpečnost kontaktů, a tím i dlouhodobou provozní bezpečnost. Kónický límec během instalace usnadní zavedení vodiče do objímky. Pomocí objímky se také zjednoduší zavedení kabelu do svorky. Dvojité dutinky vodičů jsou dimenzovány speciálně pro dvouvodičovou přípojku. K jednoduchému ovládání se dutinky vodičů uchovávají v sypátku se zaskakovací funkcí kvůli náhodnému otevření. Bezhalogenové dutinky vodičů od Wiha jsou tepelně odolné až do 105 °C. Vyrábějí se podle normy DIN 46228.Pro použití v elektriceObsah:50x Dvojitá dutinka vodiče s plastovým límcem 100 St., barevný kód DIN 2 x 0.75 (43951)50x Dvojitá dutinka vodiče s plastovým límcem 100 St., barevný kód 1 (FR) & DIN 2 x 1 (43937)50x Dvojitá dutinka vodiče s plastovým límcem 100 St., barevný kód 1 (FR) & DIN 2 x 1.5 (43938)50x Dvojitá dutinka vodiče s plastovým límcem 100 St., barevný kód 2 (DE) & DIN 2 x 2.5 (43947)
s DPH od 919,- Kč bez DPH od 759,36 Kč