info

NÁSTRČNÝ KLÍČ

Stahlwille
s DPH 215,- Kč
bez DPH 178,- Kč
SKLADEM
Produktový list

Popis produktu

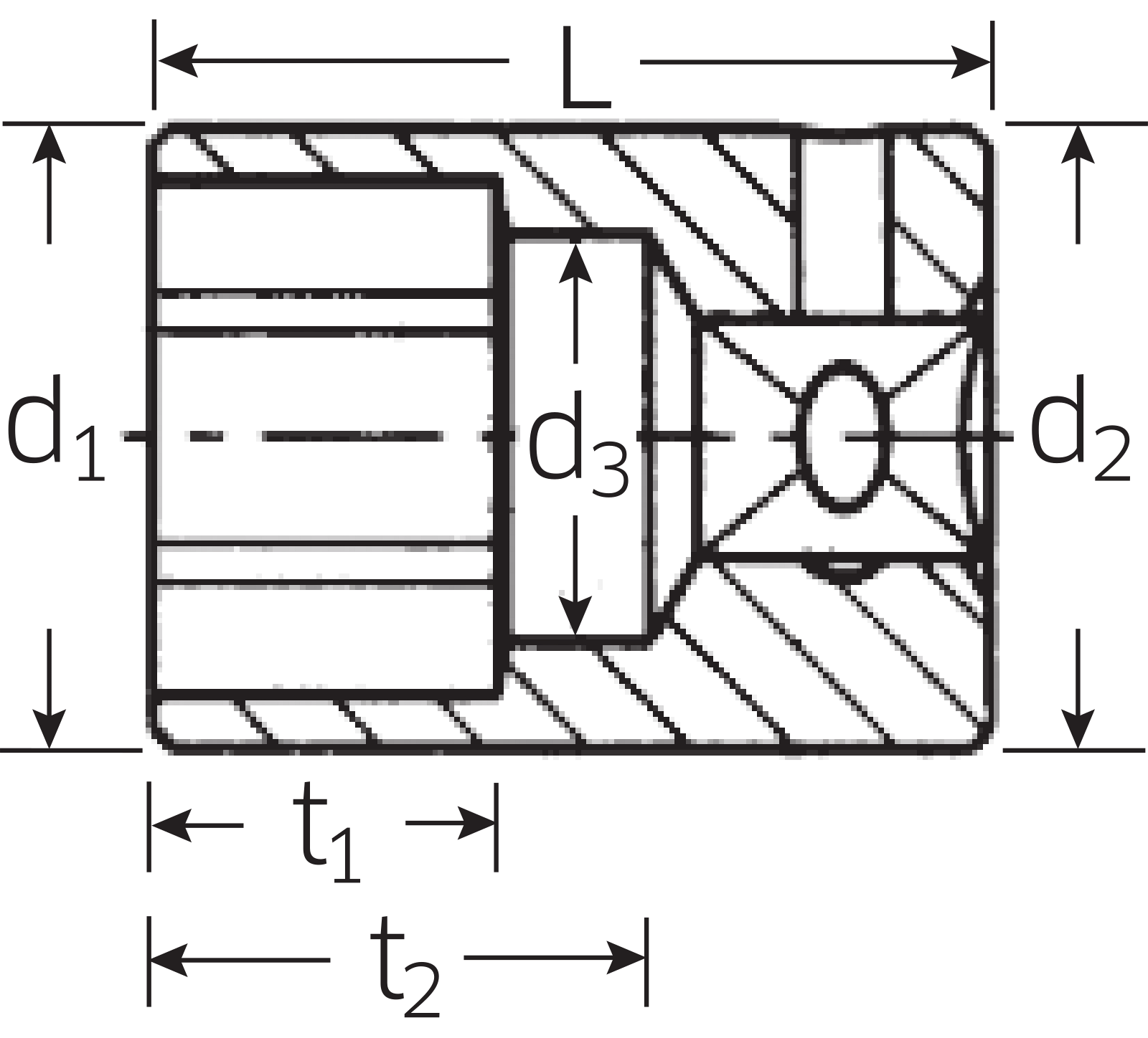
Nástrčná hlavice metrická: DIN 3124/ISO 2725-1, E DIN EN 3709, ASME B 107.5M, americká: ASME B 107.1, Fed. Spec. GGG-W-641, SAE AS 954-E (zkuební hodnoty), HPQ®-Ocel vysoké kvality, chromovaná.
Produktové číslo: 40AD 3/16
Výrobce: Stahlwille

Varianty

Číslo Skladem A
"
d1
mm
d2
mm
d3
mm
L
mm
t1
mm
t2
mm
S
R
g
40AD 5/32 1 5/32 6,7 10,7 3,2 23 3,5 15 10 7
40AD 3/16 3 3/16 7,6 10,7 4 23 4,5 15 10 9
40AD 7/32 2 7/32 8,6 10,7 5 23 6 15 10 9
40AD 1/4 1 1/4 9,4 10,7 5,5 23 6 15 10 9
40AD 9/32 4 9/32 10,7 10,7 6,6 23 6,5 13,2 10 10
40AD 5/16 1 5/16 11,6 11,6 7 23 8 13,1 10 11
40AD 11/32 2 11/32 12,7 12,7 8,1 23 8 13,3 10 13
40AD 3/8 1 3/8 13,7 13,7 8,3 23 8 13,3 10 16
40AD 7/16 2 7/16 15,8 15,8 10 23 9 14,6 10 21
40AD 1/2 3 1/2 17,3 17,3 11,5 23 9,5 14,1 10 27
40AD 9/16 2 9/16 18,8 18,8 13,1 24 10 14,7 10 31

Naposledy prohlížené

není skladem
Stahlwille

7707 W - Dílenské elekronické zkušební přístroje

Dílenské elekronické zkuební přístroje Dílenský elektronický kontrolní přístroj pro momentové klíče. Komponenty: ? snímač měrené hodnoty (DBGM) ? konzola ? zobrazovací přístroj (DBGM) ? stojan pro displej (spolu s kabelem 1,5 m) ? spirálový kabel ? napájecí jednotka (110 V-230 V s vyměnitelnými zásuvkovými adaptéry), případně se dá napájet přímo z 12 V rozvodu automobilu ? čtvercový adaptér (č. 7707-2W, 7707-3W) ? fixační přípravek pro testování ve svislé a ve vodorovné poloze, takté pro měření pravotočivé a levotočivé. Měřící jednotky: N·m; ft·lb; in·lb. Lehce vyměnitelné snímače měřených hodnot se pájí na konzolu bezpečnostním připojením QuickRelease. Snímače měřených hodnot plochého provedení nejsou citlivé na příčné síly; automatické rozpoznávání snímačů měřených hodnot je mnohostranné a přátelské k uivateli, nebo se testy sa dají vykonávat v horizontálním a vertikálním směru, poloha displeje se dá také měnit; je k dispozici doplňkový stojan na uchycení displeje s kabelem délky 1,5 m, aby testování bylo dobře sledovatelné také v prípade větích momentových klíčů; měřící rozsah je mimořádně velký, cca od 2 % do 100 % jmenovité hodnoty. Softwer č. 7759-4 včetně USB - adaptéru a zástrčného kabelu umoňuje přenést naměřené hodnoty na PC (bez potřeby dalího napájacího zdroje, (napájení zabezpečeno z počítače). Při rekalibráci jednotlivých naměřených hodnot zůstává testovací přístroj na místě, můe se dál pouívat. Přípustná teplota okolí přístroje je irokého rozsahu (od -20 do +60 °C). Přístroj je certifikovaný pro 2. třídu a dle normy DIN 51309: 2005 a je v souladě se směrnicí DKD-R 3-8: 2003. S certifikátem. Dodává se v pevné krabici z umělé hmoty.
s DPH od 126 677,- Kč bez DPH od 104 692,- Kč