Popis produktu
Nástrčná hlavice metrická: DIN 3124/ISO 2725-1, E DIN EN 3709, ASME B 107.5M, americká: ASME B 107.1, Fed. Spec. GGG-W-641, SAE AS 954-E (zkuební hodnoty), HPQ®-Ocel vysoké kvality, chromovaná.
Produktové číslo: 40D 14
Výrobce: Stahlwille
Specifikace
Varianty
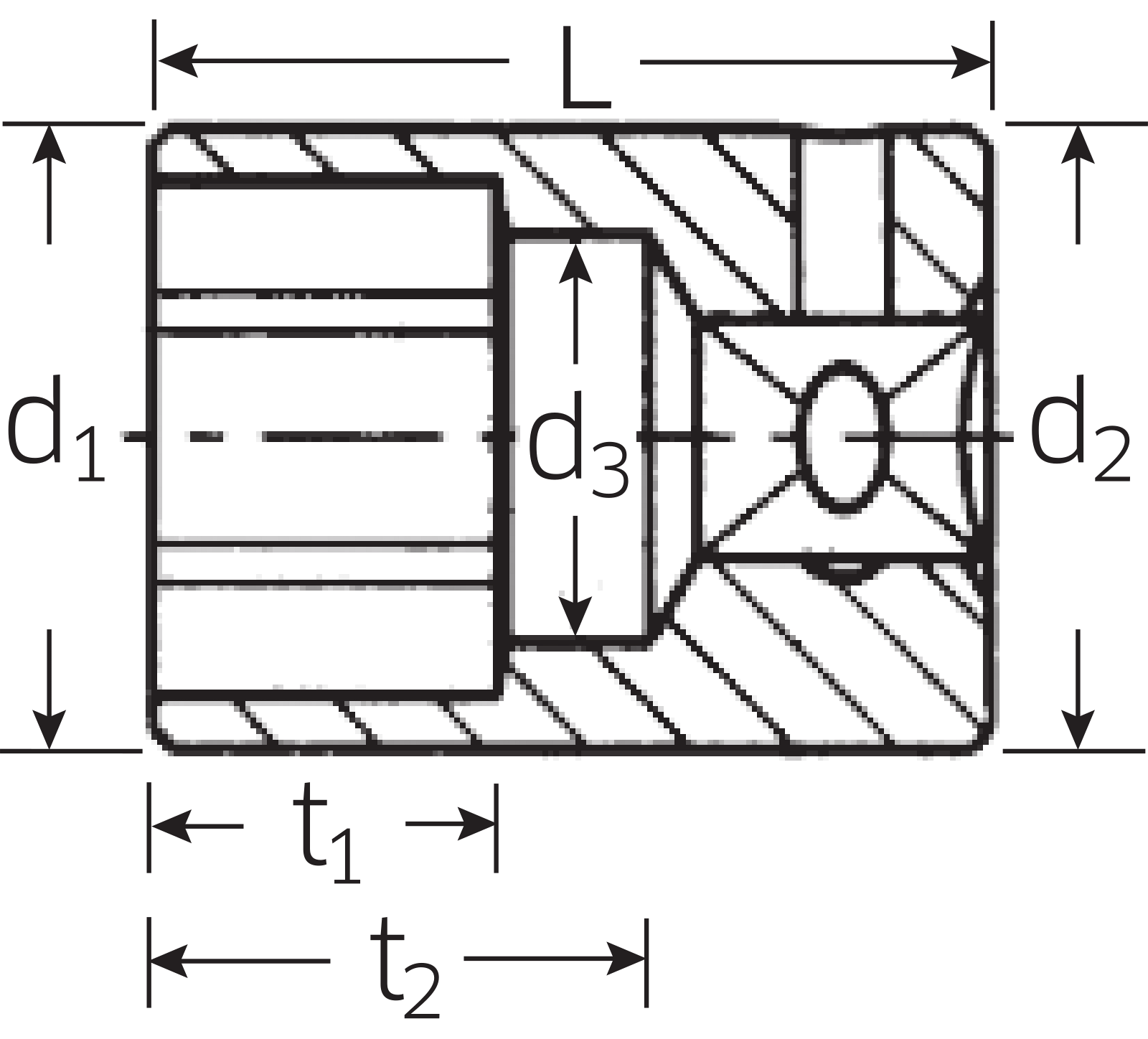
| Číslo | Skladem | A mm |
d1 mm |
d2 mm |
d3 mm |
L mm |
t1 mm |
t2 mm |
S |
R g |
|
|---|---|---|---|---|---|---|---|---|---|---|---|
| 40D 5 | 1 | 5 | 7,9 | 10,7 | 4 | 23 | 4,5 | 15 | 10 | 9 |
|
| 40D 6 | 1 | 6 | 9,2 | 10,7 | 5 | 23 | 6 | 15 | 10 | 9 |
|
| 40D 7 | 1 | 7 | 10,7 | 10,7 | 6 | 23 | 6,5 | 13,4 | 10 | 10 |
|
| 40D 8 | 2 | 8 | 11,6 | 11,6 | 7 | 23 | 8 | 13,1 | 10 | 11 |
|
| 40D 9 | 1 | 9 | 12,8 | 12,8 | 8 | 23 | 8 | 12,8 | 10 | 13 |
|
| 40D 10 | 2 | 10 | 14,3 | 14,3 | 9 | 23 | 8 | 14,9 | 10 | 17 |
|
| 40D 11 | 1 | 11 | 15,5 | 15,5 | 10 | 23 | 9 | 14,6 | 10 | 19 |
|
| 40D 12 | 2 | 12 | 16,5 | 16,5 | 11 | 23 | 9,5 | 14,3 | 10 | 23 |
|
| 40D 13 | 3 | 13 | 17,8 | 17,8 | 12 | 23 | 9,5 | 14 | 10 | 25 |
|
| 40D 14 | 1 | 14 | 18,8 | 18,8 | 13 | 24 | 10 | 14,7 | 10 | 32 |
|
| 40 D 5,5 | 0 | 5,5 | 8,5 | 10,7 | 4,5 | 23 | 6 | 15 | 10 | 9 |
|