Popis produktu
Nástrčná hlavice metrické: DIN 3124/ISO 2725-1, ASME B 107.5M, E DIN EN 3709, americké: ASME B 107.1, Fed. Spec. GGG-W-641, SAE AS 954-E (skúební hodnoty), HPQ®-Ocel vysoké kvality, chromovaná.
Produktové číslo: 45 13
Výrobce: Stahlwille
Specifikace
Varianty
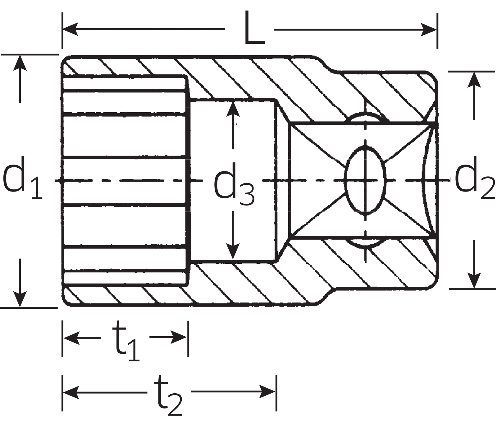
| Číslo | Skladem | A mm |
d1 mm |
d2 mm |
d3 mm |
L mm |
t1 mm |
t2 mm |
S |
R g |
|
|---|---|---|---|---|---|---|---|---|---|---|---|
| 45 7 | 2 | 7 | 10,5 | 16,5 | 6 | 24 | 6 | 12,5 | 10 | 19 |
|
| 45 8 | 1 | 8 | 11,7 | 16,5 | 7 | 25 | 7 | 13,5 | 10 | 19 |
|
| 45 9 | 1 | 9 | 13 | 16,5 | 8 | 25 | 7 | 13,5 | 10 | 19 |
|
| 45 10 | 1 | 10 | 14,3 | 16,5 | 9 | 27 | 8,5 | 15,5 | 10 | 20 |
|
| 45 11 | 1 | 11 | 15,6 | 16,5 | 10 | 27 | 8,5 | 13,7 | 10 | 21 |
|
| 45 12 | 1 | 12 | 16,9 | 17,5 | 11 | 28 | 9,5 | 14,4 | 10 | 24 |
|
| 45 13 | 1 | 13 | 18 | 17,5 | 12 | 30 | 11,5 | 16,1 | 10 | 30 |
|
| 45 14 | 1 | 14 | 19,4 | 17,5 | 13 | 30 | 11,5 | 15,8 | 10 | 28 |
|
| 45 15 | 1 | 15 | 20,6 | 19 | 14 | 31 | 12,5 | 19,2 | 10 | 40 |
|
| 45 16 | 1 | 16 | 21,7 | 19 | 15 | 31 | 13,5 | 18,9 | 10 | 33 |
|
| 45 17 | 1 | 17 | 23 | 19 | 16 | 31 | 12,5 | 18,6 | 10 | 44 |
|
| 45 18 | 1 | 18 | 24,2 | 19 | 17 | 32 | 13,5 | 19,3 | 5 | 39 |
|
| 45 19 | 3 | 19 | 25,2 | 19 | 18 | 32 | 13,5 | 19 | 5 | 39 |
|
| 45 20 | 8 | 20 | 26,2 | 20 | 19 | 34 | 15,5 | 20,7 | 5 | 51 |
|
| 45 21 | 1 | 21 | 27,7 | 21 | 20 | 34 | 15,5 | 20,5 | 5 | 53 |
|
| 45 22 | 2 | 22 | 28,7 | 21 | 21 | 35 | 17 | 21,2 | 5 | 61 |
|
| 45 24 | 2 | 24 | 31,5 | 24 | 21 | 35 | 18 | 21,2 | 5 | 92 |
|