info

NÁSTRČNÝ KLÍČ

Stahlwille
s DPH 520,- Kč
bez DPH 430,- Kč
SKLADEM
Produktový list

Popis produktu

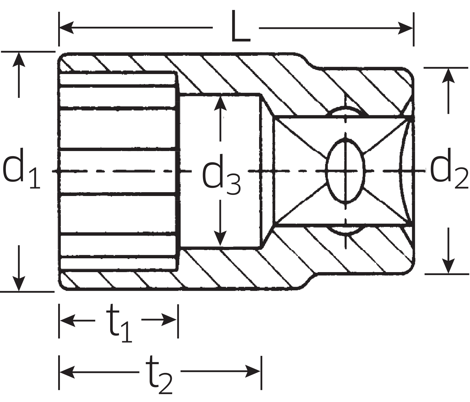
Nástrčná hlavice metrické: DIN 3124/ISO 2725-1, ASME B 107.5M, E DIN EN 3709, americké: ASME B 107.1, Fed. Spec. GGG-W-641, SAE AS 954-E (skúební hodnoty), HPQ®-Ocel vysoké kvality, chromovaná.
Produktové číslo: 45 24
Výrobce: Stahlwille

Varianty

Číslo Skladem A
mm
d1
mm
d2
mm
d3
mm
L
mm
t1
mm
t2
mm
S
R
g
45 7 2 7 10,5 16,5 6 24 6 12,5 10 19
45 8 1 8 11,7 16,5 7 25 7 13,5 10 19
45 9 1 9 13 16,5 8 25 7 13,5 10 19
45 10 1 10 14,3 16,5 9 27 8,5 15,5 10 20
45 11 1 11 15,6 16,5 10 27 8,5 13,7 10 21
45 12 1 12 16,9 17,5 11 28 9,5 14,4 10 24
45 13 1 13 18 17,5 12 30 11,5 16,1 10 30
45 14 1 14 19,4 17,5 13 30 11,5 15,8 10 28
45 15 1 15 20,6 19 14 31 12,5 19,2 10 40
45 16 1 16 21,7 19 15 31 13,5 18,9 10 33
45 17 1 17 23 19 16 31 12,5 18,6 10 44
45 18 1 18 24,2 19 17 32 13,5 19,3 5 39
45 19 3 19 25,2 19 18 32 13,5 19 5 39
45 20 8 20 26,2 20 19 34 15,5 20,7 5 51
45 21 1 21 27,7 21 20 34 15,5 20,5 5 53
45 22 2 22 28,7 21 21 35 17 21,2 5 61
45 24 2 24 31,5 24 21 35 18 21,2 5 92

Naposledy prohlížené

není skladem
Wiha

WIHA ODIZOLOVACÍ A KRIMPOVACÍ NÁSTROJ

Zvýší vaši efektivnost: Rozsáhlý sortiment dutinek vodičů a spojek v přehledném a mobilním boxu se sortimentem.Zvyšuje kvalitu vaší práce: Plynotěsná spojení díky perfektní kombinaci profesionálních nástrojů a vysoce kvalitních spojovacích prvků.Použití: S nástrojem ke zkracování, odpláštění a odizolování kabelů mezi 0,03–16 mm².U klasického zpracování vodičů existuje mnoho úskalí. Chybné odizolování vodičů, vzpříčené lemy v kleštích nebo nesprávně slisované dutinky jsou známé problémy. S rozsáhlou sadou od Wiha máte vhodné, profesionální nástroje včetně velkého výběru nejběžnějších spojek a dutinek vodičů přehledně uspořádané pro mobilní použití nebo pro vozidlo sjednocené v kufru se sortimentem.„Snadné odizolování“ slibují automatické odizolovací kleště Wiha. Jen pomocí kleští je možné odizolování kabelů v rozmezí mezi 0,03 – 16 mm². S automatickými krimpovacími kleštěmi s šestihranným slisováním mohou být zpracovány dutinky vodičů od 0,08 do 16 mm² a dvojité dutinky vodičů do 10 mm².Automatický krimpovací nástroj pro izolovanou kabelovou koncovku a kontakty je dimenzovaný pro krimpovací rozsah 0,5–6 mm², a tím pokrývá velkou část aplikací v oblasti menších a středně velkých průřezů kabelů. Normované dutinky vodičů a spojky od Wiha jsou tepelně odolné až do 105 °C.Obsah:1x Krimpovací nástroj, automatický pro dutinky vodičů se šestihranným slisováním 210 mm, 0.08 - 16 (41246)1x Automatický odizolovací nástroj do 16 mm² v blistru 200 mm, 8" (42062)1x Krimpovací nástroj pro izolované kabelové koncovky a kontakty 220 mm, 0.5 - 6 (33841)1x Stlačovací kabelová koncovka prstencového tvaru izolovaná 100 St. dle DIN 4 - 6 mm², M6 (43960)1x Dutinky vodičů s plastovým límcem, sada 100 St., barevný kód 1 (FR) 4 mm² (43916)1x Dutinky vodičů s plastovým límcem, sada 50 St., barevný kód 1 (FR) 10 mm² (43918)1x Dutinky vodičů s plastovým límcem, sada 50 St., barevný kód 1 (FR) 16 mm² (43919)1x Stlačovací kabelová koncovka prstencového tvaru izolovaná 100 St. dle DIN 4 - 6 mm², M8 (43961)1x Narážená spojka, izolovaná 100 St. dle DIN 4 - 6 mm² (43967)1x Dutinky vodičů s plastovým límcem, sada 100 St., barevný kód 1 (FR) 2.5 mm² (43915)1x Dutinky vodičů s plastovým límcem, sada 100 St., barevný kód 1 (FR) / DIN 1.5 mm² (43914)1x Dutinky vodičů s plastovým límcem, sada 100 St., barevný kód 1 (FR) / DIN 0.5 mm² (43911)1x Dutinky vodičů s plastovým límcem, sada 100 St., barevný kód 1 (FR) / DIN 1 mm² (43913)1x Dutinky vodičů s plastovým límcem, sada 100 St., barevný kód 1 (FR) 0.75 mm² (43912)1x Dutinky vodičů s plastovým límcem 2,5 mm², sada 20 St., barevný kód 1 (FR)1x Stlačovací kabelová koncovka prstencového tvaru izolovaná 0,5-1 mm² 50 St. dle DIN1x Stlačovací kabelová koncovka prstencového tvaru izolovaná 0,5-1 mm² 50 St. dle DIN1x Stlačovací kabelová koncovka prstencového tvaru izolovaná 1,5-2,5 mm² 50 St. dle DIN1x Narážená spojka, izolovaná, 0,5-1 mm², 50 St. dle DIN1x Narážená spojka, izolovaná, 1,5-2,5 mm², 50 St. dle DIN1x Ploché násuvné dutinky, izolované 50 St. 0,5-1,0 mm²1x Ploché násuvné dutinky, izolované 50 St. 1,5-2,5 mm²1x Ploché konektory, izolované 50 St. 0,5-1,0 mm²1x Ploché konektory, izolované 50 St. 1,5-2,5 mm²1x Stlačovací kabelová koncovka prstencového tvaru izolovaná 1,5-2,5 mm² 50 St. dle DIN
s DPH od 13 412,- Kč bez DPH od 11 084,36 Kč