Popis produktu
Nástrčná hlavice metrické: DIN 3124/ISO 2725-1, ASME B 107.5M, E DIN EN 3709, americké: ASME B 107.1, Fed. Spec. GGG-W-641, SAE AS 954-E (Zkuební hodnoty), HPQ®-Ocel vysoké kvality, chromovaná.
Produktové číslo: 45A 15/16
Výrobce: Stahlwille
Specifikace
Varianty
| Číslo | Skladem | A " |
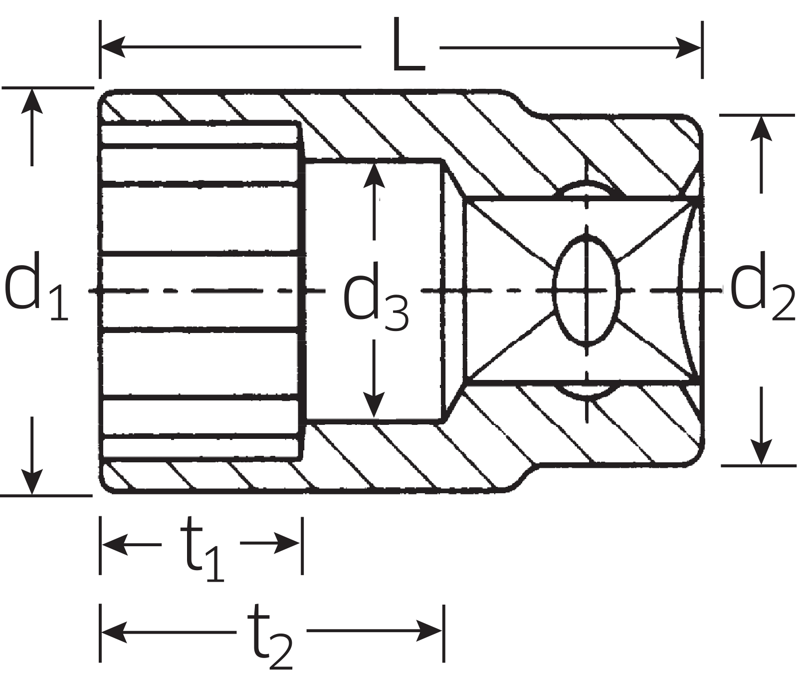
d1 mm |
d2 mm |
d3 mm |
L mm |
t1 mm |
t2 mm |
S |
R g |
|
|---|---|---|---|---|---|---|---|---|---|---|---|
| 45A 1/4 | 1 | 1/4 | 9,7 | 16,5 | 5,2 | 24 | 6 | 12,5 | 10 | 18 |
|
| 45A 5/16 | 1 | 5/16 | 11,7 | 16,5 | 7 | 25 | 7 | 13,5 | 10 | 19 |
|
| 45A 11/32 | 1 | 11/32 | 12,5 | 16,5 | 8,1 | 25 | 7 | 13,5 | 10 | 19 |
|
| 45A 3/8 | 1 | 3/8 | 13,7 | 16,5 | 8,4 | 27 | 8,5 | 15,5 | 10 | 20 |
|
| 45A 7/16 | 1 | 7/16 | 15,7 | 16,5 | 10 | 28 | 9,5 | 15,1 | 10 | 20 |
|
| 45A 1/2 | 1 | 1/2 | 18 | 17,5 | 11,5 | 30 | 11,5 | 16,5 | 10 | 24 |
|
| 45A 9/16 | 1 | 9/16 | 20,2 | 19 | 13,1 | 31 | 12,7 | 16,8 | 10 | 28 |
|
| 45A 19/32 | 1 | 19/32 | 20,6 | 19 | 14 | 31 | 13 | 19,2 | 5 | 36 |
|
| 45A 5/8 | 1 | 5/8 | 21,7 | 19 | 15 | 31 | 13,5 | 18,9 | 5 | 31 |
|
| 45A 11/16 | 1 | 11/16 | 23,4 | 19 | 16,3 | 32 | 14,7 | 19,5 | 5 | 34 |
|
| 45A 3/4 | 1 | 3/4 | 25,2 | 19 | 18 | 32 | 15,9 | 19 | 5 | 41 |
|
| 45A 13/16 | 1 | 13/16 | 27,2 | 20,5 | 19,4 | 34 | 16,5 | 20,5 | 5 | 52 |
|
| 45A 7/8 | 1 | 7/8 | 28,7 | 22 | 21 | 35 | 18 | 21 | 5 | 59 |
|
| 45A 15/16 | 1 | 15/16 | 31,5 | 24 | 22,6 | 35 | 18,5 | 20,7 | 5 | 95 |
|
| 45A 1 | 1 | 1 | 33 | 25,5 | 24,2 | 35 | 18,5 | 20,2 | 5 | 97 |
|