Popis produktu
Nástrčná hlavice ASME B 107.1, Fed. Spec. GGG-W-641, SAE AS 954-E (zkuební hodnoty), pro demontá převodovek řady CFM 56, HPQ®-ocel vysoké kvality, hnědá.
Produktové číslo: 45AP 5/16
Výrobce: Stahlwille
Specifikace
Varianty
| Číslo | Skladem | A " |
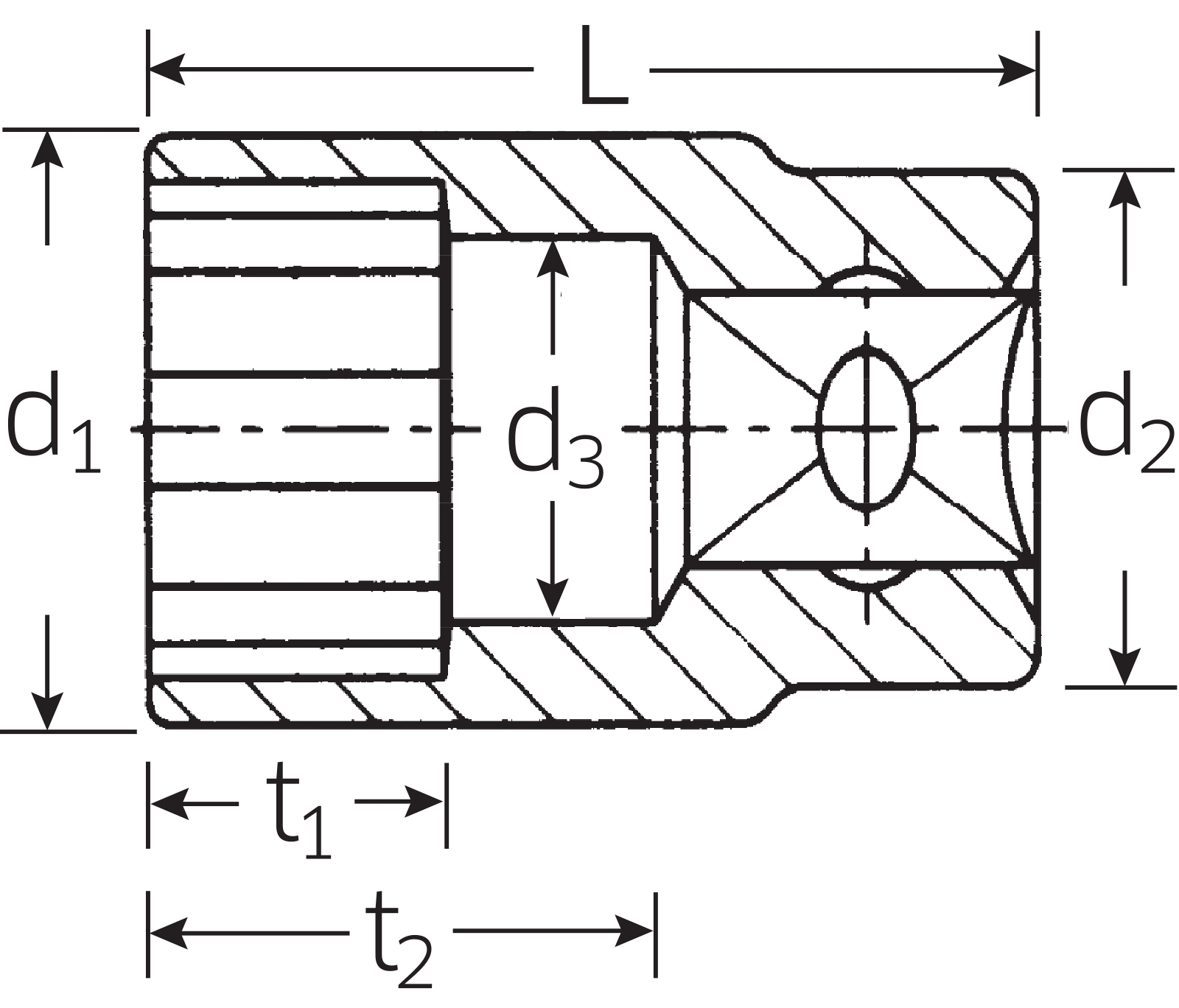
d1 mm |
d2 mm |
d3 mm |
L mm |
t1 mm |
t2 mm |
S |
R g |
|
|---|---|---|---|---|---|---|---|---|---|---|---|
| 45AP 5/16 | 0 | 5/16 | 11,9 | 16,5 | 8,1 | 25 | 7 | 13,5 | 10 | 19 |
|