info

NÁSTRČNÝ KLÍČ 3/8

Stahlwille
s DPH 680,- Kč
bez DPH 562,- Kč
SKLADEM
Produktový list

Popis produktu

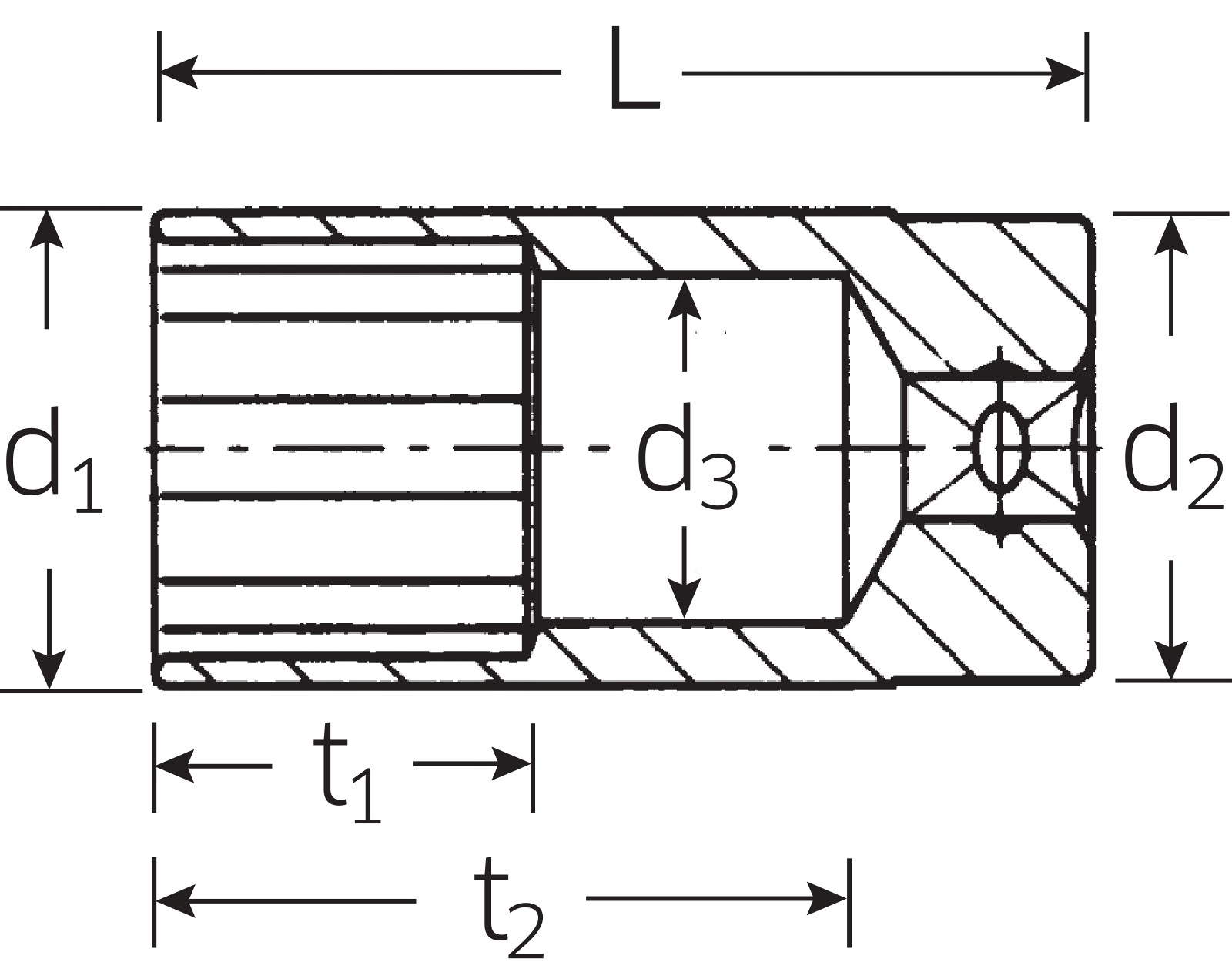
Nástrčná hlavice prodlouené, metrické: DIN 3124/ISO 2725-1, E DIN EN 3710, E DIN EN 3709, ASME B 107.5M; americké: ASME B 107.1, Fed. Spec. GGG-W-641, SAE AS 954-E, HPQ®-Ocel vysoké kvality, chromovaná
Produktové číslo: 46 12
Výrobce: Stahlwille

Varianty

Číslo Skladem A
mm/"
d1
mm
d2
mm
d3
mm
L
mm
t1
mm
t2
mm
S
R
g
46 12 6 12 16,9 17,5 11 54 20 40,4 10 57

Naposledy prohlížené