info

NÁSTRČNÝ KLÍČ 3/8

Stahlwille
s DPH 851,- Kč
bez DPH 703,- Kč
SKLADEM
Produktový list

Popis produktu

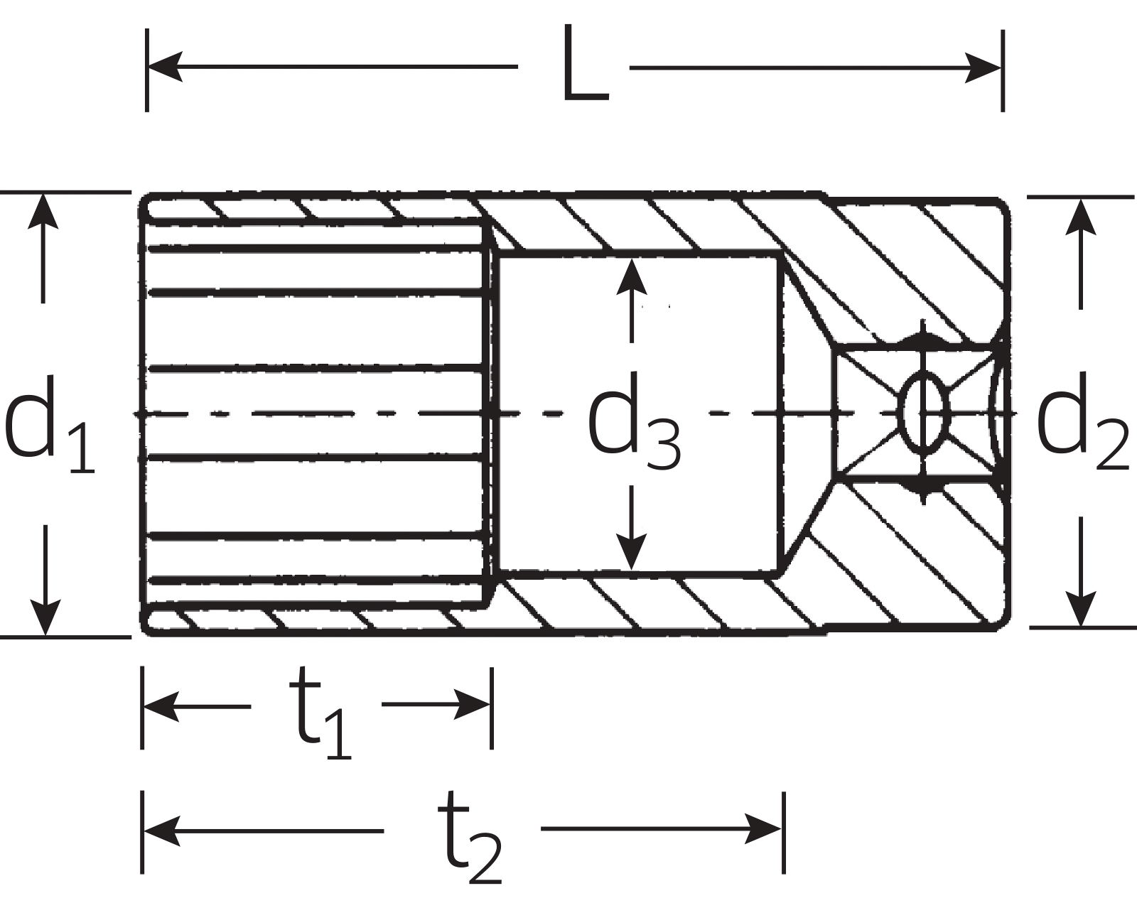
Nástrčná hlavice prodlouené, metrické: DIN 3124/ISO 2725-1, E DIN EN 3710, E DIN EN 3709, ASME B 107.5M; americké: ASME B 107.1, Fed. Spec. GGG-W-641, SAE AS 954-E, HPQ®-Ocel vysoké kvality, chromovaná
Produktové číslo: 46 19
Výrobce: Stahlwille

Varianty

Číslo Skladem A
mm/"
d1
mm
d2
mm
d3
mm
L
mm
t1
mm
t2
mm
S
R
g
46 19 1 19 25,2 23 18 65 30 52 10 112

Naposledy prohlížené

skladem
WI 38552
Wiha

UNIVERSÁLNÍ KLEŠTĚ TriCut

Usnadní vám práci.: Šikmá hlava umožňuje práce na obtížně přístupných místech, například v instalačních krabicích.Zvýší vaši efektivnost: Tři nástroje v jednom. Šetří 60 % objemu, 50 % hmotnosti a zaručuje 100% efektivnost.Šetří peníze: Pro tři operace, a to zkracování, odpláštění a odizolování vám bude stačit jen jedno nářadí.Sníží vaše náklady: Dlouhá životnost dosažená díky vysoce kvalitnímu chromovanému povrchu, který zabraňuje vzniku koroze.Zajišťuje plnou ochranu: Každý nástroj je jednotlivě testován při 10 000 V AC a je schválen pro napětí 1 000 V AC.Použití: Vhodné ke stříhání měkkých a tvrdých drátů i kabelů, např. vedení NYM. Kromě toho jsou vhodné k odpláštění kruhových kabelů a kabelů pro vlhké prostory a odizolování vodičů na obtížně přístupných místech jako např. v odbočovacích a rozdělovacích krabicích.Instalační kleště electric TriCut udělají práci za tři. Jakostně vyrobené instalační kleště představují optimálního pomocníka při obrábění kabelů, neboť spojují tři nejdůležitější nástroje v jednom: kleště štípací stranové, nástroj k odpláštění a odizolovací kleště. Díky speciálně zalomené hlavě kleští je umožněno ergonomické a sílu šetřicí odpláštění a odizolování v podélném směru kabelu a kleští. Tak TriCut nabízí především v úzkých stavebních prostorech, jako např. v odbočovacích a rozdělovacích krabicích, rozhodující výhodu oproti jiným kleštím. Stranovými štípacími kleštěmi mohou být vedle kabelů stříhány i tvrdší dráty nebo dokonce i řetězy. Extra široké hřbety rukojetí s vypracovanými tvrdými a měkkými oblastmi i zahnutými konci rukojetí zamezují sklouznutí prstů. Kleště individuálně testované podle mezinárodní normy IEC 60900 zaručují nekompromisní bezpečnost a umožňují bezpečnou práci u vodivých dílů až do 1 000 V AC.Zhotoveno dle IEC 60900.
s DPH 1 562,- Kč bez DPH 1 291,- Kč