info

NÁSTRČNÝ KLÍČ 3/8

Stahlwille
s DPH 675,- Kč
bez DPH 558,- Kč
SKLADEM
Produktový list

Popis produktu

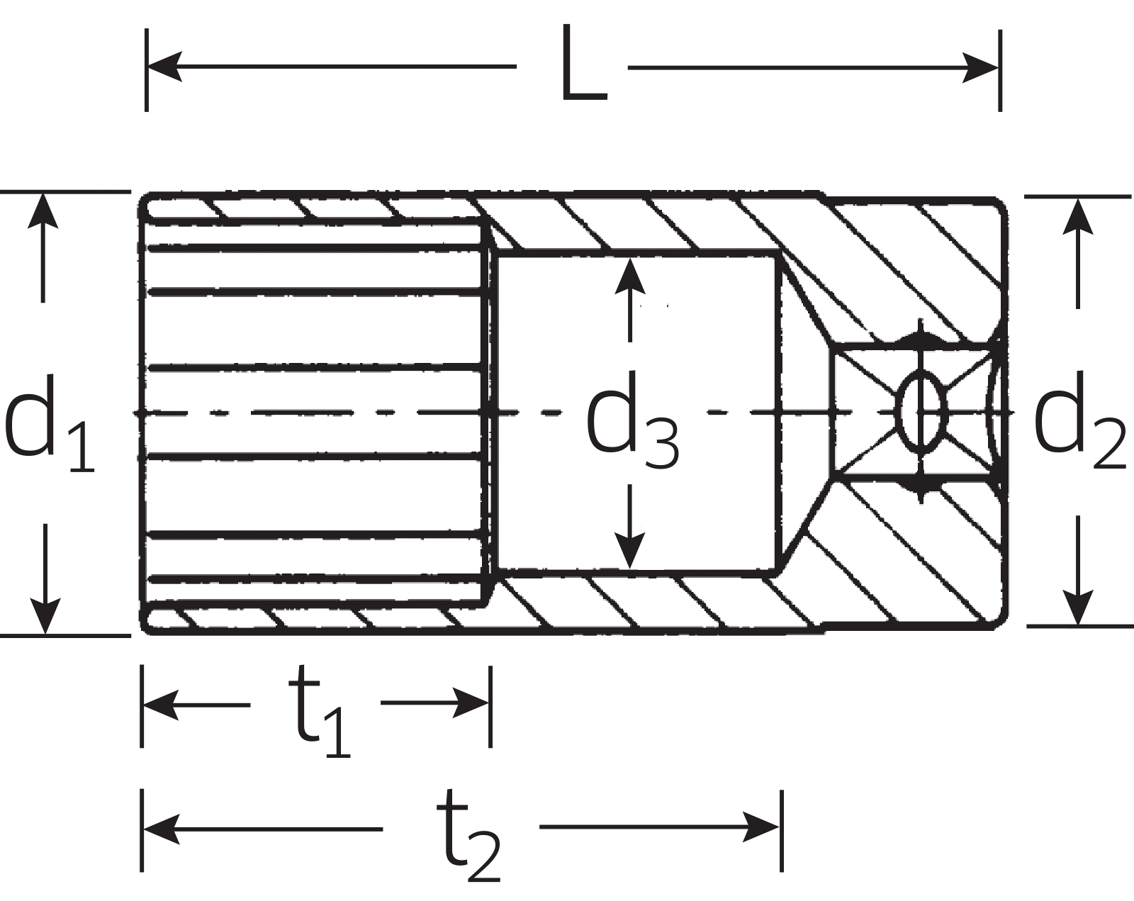
Nástrčná hlavice prodlouené, metrické: DIN 3124/ISO 2725-1, E DIN EN 3710, E DIN EN 3709, ASME B 107.5M; americké: ASME B 107.1, Fed. Spec. GGG-W-641, SAE AS 954-E, HPQ®-Ocel vysoké kvality, chromovaná
Produktové číslo: 46 8
Výrobce: Stahlwille

Varianty

Číslo Skladem A
mm/"
d1
mm
d2
mm
d3
mm
L
mm
t1
mm
t2
mm
S
R
g
46 8 1 8 11,7 16,5 7 54 9 42,5 10 36
46 10 1 10 14,3 16,5 9 54 20 42,5 10 41
46 11 1 11 15,6 16,5 10 54 20 40,7 10 51
46 13 1 13 18 17,5 12 54 20 40,1 10 61
46 14 1 14 19,4 17,5 13 60 25 45,8 10 75
46 15 1 15 20,6 19 14 60 25 48,2 10 85
46 16 3 16 21,7 19,5 15 60 25 47,9 10 81
46 17 1 17 23 21 16 65 30 52,6 10 97
46 18 1 18 24,2 22 17 65 30 52,3 10 121
46 21 1 21 27,7 25,5 20 65 30 51,5 5 137
46 22 1 22 28,7 26,5 21 65 30 51,2 5 178

Naposledy prohlížené

není skladem
Stahlwille

802N - Velká dílenská souprava

Velká dílenská souprava Obsahuje 129 kusů nářadí ------------------------------------------------------------------------------------------------------------------------------------------------- Č. 12/10 rozměr klíče 4; 4,5; 5; 5,5; 6; 7; 8; 9; 10; 11 mm Č. 13/26 rozměr klíče 6; 7; 8; 9; 10; 11; 12; 13; 14; 15; 16; 17; 18; 19; 20; 21; 22; 23; 24; 25; 26; 27; 28; 29; 30; 32 mm Č. 29 rozměr klíče10 x 11; 12 x 13; 14 x 15; 16 x 18; 17 x 19; 21 x 23 mm Č. 35c Pkw rozměr klíče 17; 19; 22; 1/2" [D Č. 39 400 mm (2x) Č. 39/1 600 mm (2x) Č. 50 1/2" [a rozměr klíče 10; 11; 12; 13; 14; 15; 16; 17; 18; 19; 20; 21; 22; 23; 24; 25; 26; 27; 28; 30; 32 mm Č. 51 1/2" [a rozměr klíče 13; 16 mm-5/8"; 17; 18; 19 mm; 20,8 mm-13/16"; 22; 24; 27; 30; 32 mm Č. 54 1/2" [a rozměr klíče 4; 5; 6; 8; 10; 12; 14 mm Č. 501 1/2" [D 433 mm Č. 504/15 1/2" [D 397 mm Č. 506 1/2" [D 300 mm Č. 509/2 1/2" [D [a 52 mm Č. 509/5 1/2" [D [a 130 mm Č. 509/10 1/2" [D [a 255 mm Č. 510 1/2" [D [a 71 mm Č. 512 1/2" [D Č. 100/8 200 mm Č. 103 150 mm Č. 104 120 x 4 mm Č. 105 100 x 10 mm Č. 4622 velikost 2 (1,2 x 6,5 x 125 mm)velikost 3 (1,2 x 8,0 x 150 mm)velikost 5 (2,0 x 12,0 x 200 mm) Č. 4628 velikost 2 (0,6 x 3,5 x 75 mm) velikost 4 (0,8 x 4,0 x 125 mm) Č. 4630 velikost 1; 2; 3 Č. 4724 velikost 2 (1,0 x 5,5 x 25 mm) Č. 65 01 6 180 Č. 65 29 6 200 Č. 65 30 6 200 Č. 65 43 4 002 Č. 65 45 4 002 Č. 65 54 4 250 Č. 65 64 2 250 Č. 66 02 6 160 Č. 10670 310 mm Č. 10676 85 x 12 x 315 mm Č. 10960 500 g Č. 11095/13 0,05-1 mm Č. 12025 210 mm Č. 12030 260 mm Č. 12035 210 mm Č. 12050 300 mm Č. 12150 200 mm Č. 12200 145 mm Č. 12250 Č. 12320 Č. 12375 Č. 12935/3 3 m -------------------------------------------------------------------------------------------------------------------------------------------------
s DPH od 92 328,- Kč bez DPH od 76 304,20 Kč