Popis produktu
Nástrčná hlavice SAE AS 954-E, S.B.A.C. AS 40610/40611, ASME B 107.1, HPQ®-Ocel vysoké kvality, chromovaná.
Produktové číslo: 460 A 7/16
Výrobce: Stahlwille
Specifikace
Varianty
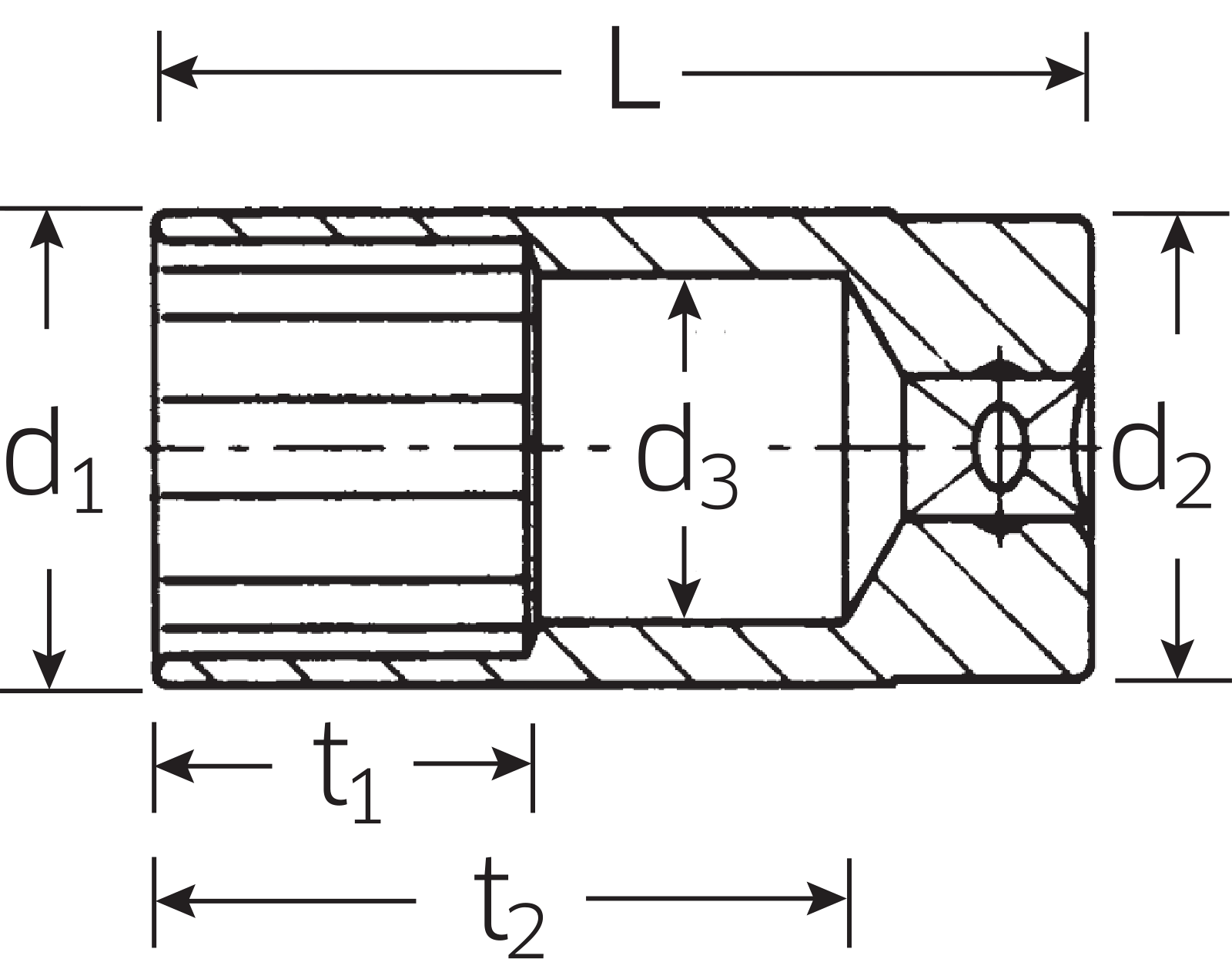
| Číslo | Skladem | A " |
d1 mm |
d2 mm |
d3 mm |
L mm |
t1 mm |
t2 mm |
S |
R g |
|
|---|---|---|---|---|---|---|---|---|---|---|---|
| 460A 1/4 | 0 | 1/4 | 9,9 | 16,5 | 5,2 | 32 | 7 | 20,5 | 5 | 21 |
|
| 460 A 5/16 | 0 | 5/16 | 11,5 | 16,5 | 7 | 32 | 8,5 | 20,5 | 5 | 22 |
|
| 460 A 3/8 | 0 | 3/8 | 13,7 | 16,5 | 8,5 | 38 | 9 | 26,5 | 5 | 29 |
|
| 460 A 7/16 | 0 | 7/16 | 15,7 | 16,5 | 10 | 38 | 11 | 24,5 | 5 | 33 |
|
| 460A 1/2 | 2 | 1/2 | 17,5 | 17,8 | 11,5 | 44 | 12 | 30 | 5 | 44 |
|