Popis produktu
Nástrčná hlavice prodlouené, metrické: DIN 3124/ISO 2725-1, E DIN EN 3710,E DIN EN 3709, ASME B 107.5M; americké: ASME B 107.1, Fed. Spec. GGG-W-641, SAE AS 954-E, HPQ®-Ocel vysoké kvality, chromovaná
Produktové číslo: 46A 1
Výrobce: Stahlwille
Specifikace
Varianty
| Číslo | Skladem | A " |
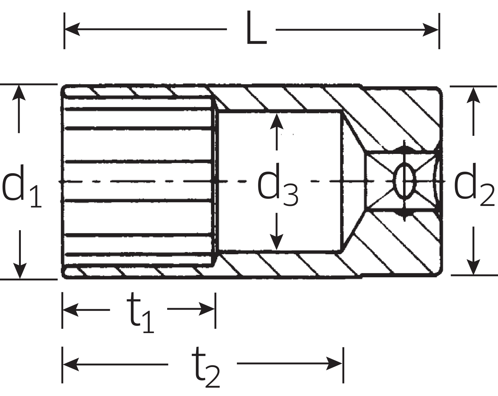
d1 mm |
d2 mm |
d3 mm |
L mm |
t1 mm |
t2 mm |
S |
R g |
|
|---|---|---|---|---|---|---|---|---|---|---|---|
| 46A 1/4 | 1 | 1/4 | 9,7 | 16,5 | 5,2 | 54 | 9 | 42,5 | 5 | 33 |
|
| 46A 5/16 | 1 | 5/16 | 11,7 | 16,5 | 7 | 54 | 9 | 42,5 | 5 | 35 |
|
| 46 A 11/32 | 0 | 11/32 | 12,5 | 16,5 | 8,1 | 54 | 9 | 42,5 | 5 | 37 |
|
| 46A 3/8 | 1 | 3/8 | 13,7 | 16,5 | 8,4 | 54 | 20 | 42,5 | 5 | 45 |
|
| 46A 7/16 | 1 | 7/16 | 15,7 | 16,5 | 10 | 54 | 20 | 40,7 | 5 | 53 |
|
| 46A 1/2 | 1 | 1/2 | 18 | 17,5 | 11,5 | 54 | 20 | 40,2 | 5 | 64 |
|
| 46A 9/16 | 1 | 9/16 | 20,2 | 19 | 13,1 | 60 | 25 | 45,8 | 5 | 66 |
|
| 46A 19/32 | 1 | 19/32 | 20,6 | 19 | 14 | 60 | 25 | 48,2 | 5 | 84 |
|
| 46A 5/8 | 1 | 5/8 | 21,7 | 19,5 | 15 | 60 | 25 | 47,9 | 5 | 81 |
|
| 46A 11/16 | 1 | 11/16 | 23,4 | 21,5 | 16,3 | 65 | 30 | 52,5 | 5 | 114 |
|
| 46A 3/4 | 1 | 3/4 | 25,2 | 23 | 18 | 65 | 30 | 52 | 5 | 137 |
|
| 46A 13/16 | 1 | 13/16 | 27,2 | 25 | 19,4 | 65 | 30 | 51,6 | 5 | 130 |
|
| 46A 7/8 | 1 | 7/8 | 28,7 | 26,5 | 21 | 65 | 30 | 51,2 | 5 | 184 |
|
| 46A 15/16 | 1 | 15/16 | 31,5 | 29 | 22,6 | 65 | 30 | 50,7 | 5 | 195 |
|
| 46A 1 | 1 | 1 | 33 | 31 | 24,2 | 65 | 30 | 50,2 | 5 | 205 |
|