info

NÁSTRČNÝ KLÍČ

Stahlwille
s DPH 672,- Kč
bez DPH 555,- Kč
SKLADEM
Produktový list

Popis produktu

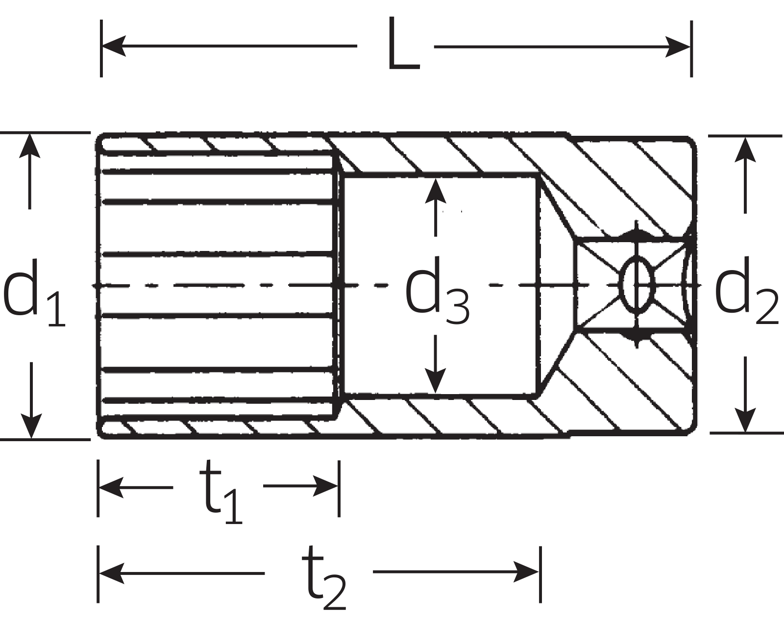
Nástrčná hlavice prodlouené, metrické: DIN 3124/ISO 2725-1, E DIN EN 3710,E DIN EN 3709, ASME B 107.5M; americké: ASME B 107.1, Fed. Spec. GGG-W-641, SAE AS 954-E, HPQ®-Ocel vysoké kvality, chromovaná
Produktové číslo: 46A 7/16
Výrobce: Stahlwille

Varianty

Číslo Skladem A
"
d1
mm
d2
mm
d3
mm
L
mm
t1
mm
t2
mm
S
R
g
46A 1/4 1 1/4 9,7 16,5 5,2 54 9 42,5 5 33
46A 5/16 1 5/16 11,7 16,5 7 54 9 42,5 5 35
46 A 11/32 0 11/32 12,5 16,5 8,1 54 9 42,5 5 37
46A 3/8 1 3/8 13,7 16,5 8,4 54 20 42,5 5 45
46A 7/16 1 7/16 15,7 16,5 10 54 20 40,7 5 53
46A 1/2 1 1/2 18 17,5 11,5 54 20 40,2 5 64
46A 9/16 1 9/16 20,2 19 13,1 60 25 45,8 5 66
46A 19/32 1 19/32 20,6 19 14 60 25 48,2 5 84
46A 5/8 1 5/8 21,7 19,5 15 60 25 47,9 5 81
46A 11/16 1 11/16 23,4 21,5 16,3 65 30 52,5 5 114
46A 3/4 1 3/4 25,2 23 18 65 30 52 5 137
46A 13/16 1 13/16 27,2 25 19,4 65 30 51,6 5 130
46A 7/8 1 7/8 28,7 26,5 21 65 30 51,2 5 184
46A 15/16 1 15/16 31,5 29 22,6 65 30 50,7 5 195
46A 1 1 1 33 31 24,2 65 30 50,2 5 205

Naposledy prohlížené

není skladem
WI 44620
Wiha

ODPLÁŠŤOVACÍ NÁSTROJ NA KRUHOVÉ KABELY (OLD 36052)

Usnadní vám práci.: Umožňuje odpláštění na obtížně přístupných místech např. v instalačních krabicích.Usnadní vám práci.: Dokonalá manipulace díky ergonomickému tvaru rukojeti.Zvýší vaši efektivnost: Odpláštění všech běžných průřezů díky plynulému nastavování.Použití: Na rovné odpláštění kruhových kabelů a kabelů do vlhkých prostor s průměrem 6–13 mm (např. NYM 3× 1,5 mm² až 5× 2,5 mm²) i na obtížně přístupných místech například ve stropech a stěnách, v odbočných a rozdělovacích krabicích, skříňových rozvaděčích atd.Při odplášťování kruhových kabelů a kabelů do vlhkých prostor se technici nezřídka musejí potýkat se ztíženým přístupem, protože například odbočné nebo rozdělovací krabice se často nacházejí v prostoru stropů nebo ve skříňových rozvaděčích. S odplášťovacím nástrojem na kruhové kabely je práce na obtížně přístupných místech mimořádně snadná. Díky zaoblené hlavě a podlouhlému, ergonomickému tvaru rukojeti padne odplášťovací nástroj dokonale do ruky a nabízí vyšší pohodlí i v těžko přístupném pracovním prostoru. Nástroj zajišťuje bezpečné odpláštění všech běžných kruhových kabelů o průměru 6–13 mm, přičemž není nutné zvlášť ručně přednastavovat hloubku řezu. Délkový doraz integrovaný v tělese zvyšuje přesnost při zpracování sérií se stejnou délkou odpláštění. Bezpečné uložení zaručuje upevňovací klips, který zároveň zamezuje poškození nástroje.
s DPH 912,- Kč bez DPH 754,- Kč