info

NÁSTRČNÝ KLÍČ S DVANÁCTIHRANEM

Stahlwille
s DPH 390,- Kč
bez DPH 322,- Kč
Není skladem
Produktový list

Popis produktu

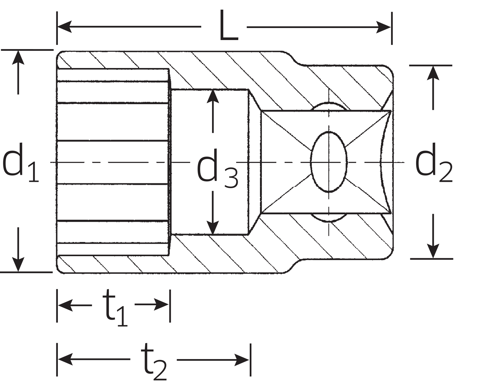
Nástrčná hlavice metrická: DIN 3124/ISO 2725-1, E DIN EN 3709, ASME B 107.5 M, americká: ASME B 107.1, Fed. Spec. GGG-W-641, SAE AS 954-E (zkuební hodnoty), HPQ®-Ocel vysoké kvality, chromovaná.
Produktové číslo: 50 20
Výrobce: Stahlwille

Varianty

Číslo Skladem A
mm
d1
mm
d2
mm
d3
mm
L
mm
t1
mm
t2
mm
S
R
g
50 8 8 8 13 22 7 38 9 22 10 56
50 9 0 9 13,7 22 8 38 9 22 10 57
50 10 8 10 14,5 22 9 38 9 22 10 57
50 11 0 11 15,8 22 10 38 9,5 22 10 52
50 12 8 12 17 22 11 38 13 22 10 58
50 13 14 13 18,3 22 12 38 13 22 10 60
50 14 8 14 19,9 22,7 13 38 13 20,5 10 60
50 15 0 15 21,2 22,7 14 38 13,5 20,2 10 62
50 16 0 16 22,4 23,7 15 38 13,5 19,6 10 63
50 17 8 17 24 23,7 15,2 38 15 19,6 10 66
50 18 0 18 24,7 23,7 17 38 15,5 19,1 10 71
50 19 4 19 26,2 25 18 38 16 21,7 10 78
50 20 0 20 27,2 25 19 42 15 25,5 10 89
50 21 0 21 28,7 26 20 42 16 25,2 10 104
50 22 5 22 29,7 26 21 42 16,5 24,9 10 113
50 23 0 23 30,7 26 20 42 18 25,4 5 114
50 24 4 24 32 26 21 42 18,5 24,9 5 117
50 25 0 25 33,2 25 22 42 18,5 24,6 5 119
50 26 0 26 34,4 25 23 42 18,5 24,3 5 122
50 27 5 27 36,2 26 24 45 19,5 27 5 150
50 28 0 28 37,4 27 25 45 19,5 26,7 5 158
50 30 1 30 39,7 28 27 45 20,5 26,1 5 171
50 31 0 31 42,2 28 28 47 22 27,9 5 215
50 32 0 32 42,2 28 29 47 22 27,6 5 189
50 34 0 34 45 28 31 47 22 27 5 209
50 36 0 36 48 31 34 52 24 30,9 5 291

Naposledy prohlížené

skladem
Wiha

BIT Pozidriv (PZ)

Zvýší vaši efektivnost: Specialista s životností 120x delší díky patentované technologii nástavců, vhodný pro všechny šrouby. (*ve srovnání se standardním nástavcem Wiha)Sníží vaše náklady: Nástavec lze díky červenému označení rychle a jednoduše najít – s UV světlem dokonce i ve tmavém prostředí. Šetří čas: Žádné dlouhé hledání díky barevným svíticím nástavcům, krátká doba výměny nástavce díky dlouhé životnosti.Použití: Vhodné pro všechny druhy šroubů. Vhodné také pro šroubovák Impact a rázový utahovák.Dosud při kupování nástavců nebylo úplně jasné, které nástavce jsou vhodné pro kterou aplikaci. Wiha končí se složitostí mezi použitým strojem, šroubováním a velkým výběrem různých nástavců. Díky revoluční koncepci nástavců Wiha je pro výběr správného nástavce rozhodující pouze tvar šroubu.Jako multitalent je nástavec TY vhodný pro všechny druhy šroubů, jak pro šrouby ve tvaru T, tak i pro šrouby ve tvaru Y, a tím představuje ideální nástroj pro šroubení do všech materiálů. Díky patentované, prodloužené torzní zóně je nástavec také vhodný pro šroubováky Impact a nárazové utahováky a zaručuje 120x delší životnost ve srovnání se standardními nástavci Wiha. Navíc lze barevné nástavce rychle a jednoduše najít a díky barevnému plášti je dobře najdete i ve tmě za pomoci UV světla. Může se tak snížit počet ztracených nástavců a náklady na nové pořízení.Obsah:5x Nástavec TY 29 mm Pozidriv 1/4" PZ3
s DPH od 120,- Kč bez DPH od 98,84 Kč