info

NÁSTRČNÝ KLÍČ S DVANÁCTIHRANEM

Stahlwille
s DPH 394,- Kč
bez DPH 326,- Kč
SKLADEM
Produktový list

Popis produktu

Nástrčná hlavice metrická: DIN 3124/ISO 2725-1, E DIN EN 3709, ASME B 107.5 M, americká: ASME B 107.1, Fed. Spec. GGG-W-641, SAE AS 954-E (zkuební hodnoty), HPQ®-Ocel vysoké kvality, chromovaná.
Produktové číslo: 50 24
Výrobce: Stahlwille

Varianty

Číslo Skladem A
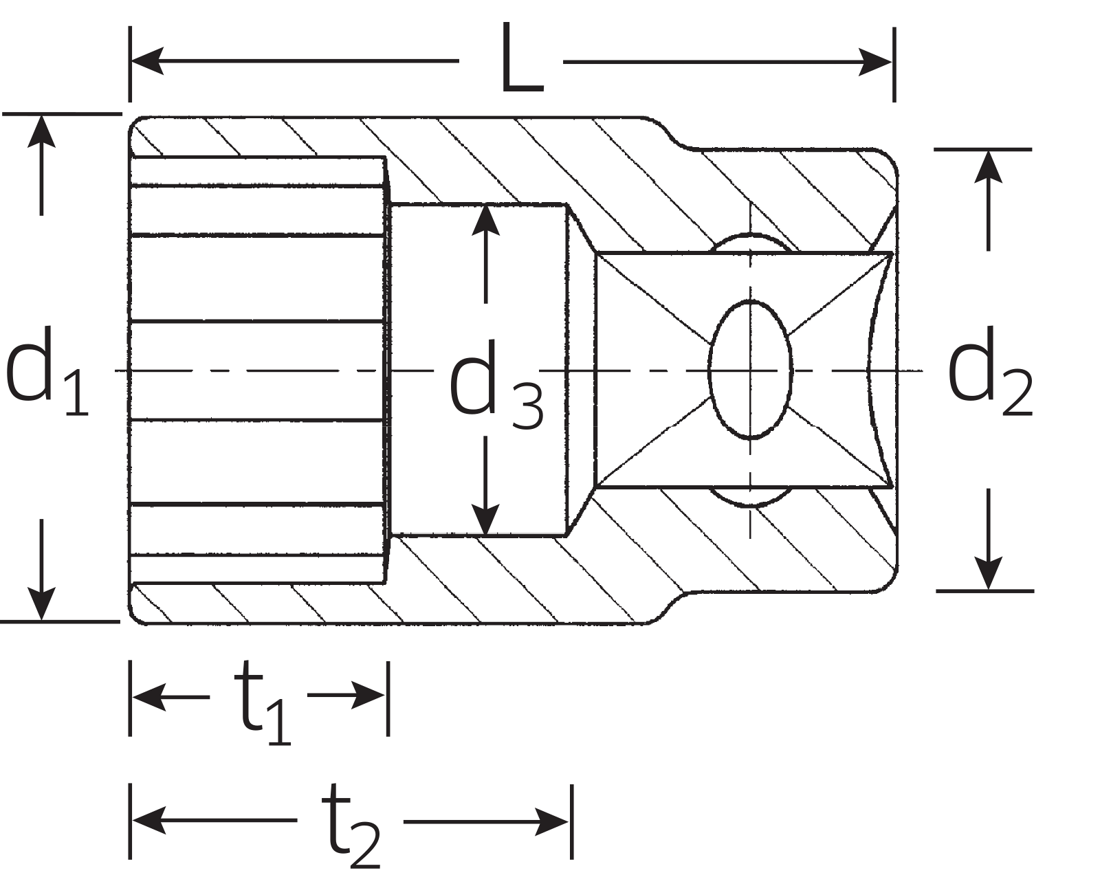
mm
d1
mm
d2
mm
d3
mm
L
mm
t1
mm
t2
mm
S
R
g
50 8 8 8 13 22 7 38 9 22 10 56
50 9 0 9 13,7 22 8 38 9 22 10 57
50 10 8 10 14,5 22 9 38 9 22 10 57
50 11 0 11 15,8 22 10 38 9,5 22 10 52
50 12 8 12 17 22 11 38 13 22 10 58
50 13 14 13 18,3 22 12 38 13 22 10 60
50 14 8 14 19,9 22,7 13 38 13 20,5 10 60
50 15 0 15 21,2 22,7 14 38 13,5 20,2 10 62
50 16 0 16 22,4 23,7 15 38 13,5 19,6 10 63
50 17 9 17 24 23,7 15,2 38 15 19,6 10 66
50 18 0 18 24,7 23,7 17 38 15,5 19,1 10 71
50 19 4 19 26,2 25 18 38 16 21,7 10 78
50 20 0 20 27,2 25 19 42 15 25,5 10 89
50 21 0 21 28,7 26 20 42 16 25,2 10 104
50 22 5 22 29,7 26 21 42 16,5 24,9 10 113
50 23 0 23 30,7 26 20 42 18 25,4 5 114
50 24 4 24 32 26 21 42 18,5 24,9 5 117
50 25 0 25 33,2 25 22 42 18,5 24,6 5 119
50 26 0 26 34,4 25 23 42 18,5 24,3 5 122
50 27 5 27 36,2 26 24 45 19,5 27 5 150
50 28 0 28 37,4 27 25 45 19,5 26,7 5 158
50 30 1 30 39,7 28 27 45 20,5 26,1 5 171
50 31 0 31 42,2 28 28 47 22 27,9 5 215
50 32 0 32 42,2 28 29 47 22 27,6 5 189
50 34 0 34 45 28 31 47 22 27 5 209
50 36 0 36 48 31 34 52 24 30,9 5 291

Naposledy prohlížené

není skladem
Stahlwille

7707 W - Dílenské elekronické zkušební přístroje

Dílenské elekronické zkuební přístroje Dílenský elektronický kontrolní přístroj pro momentové klíče. Komponenty: ? snímač měrené hodnoty (DBGM) ? konzola ? zobrazovací přístroj (DBGM) ? stojan pro displej (spolu s kabelem 1,5 m) ? spirálový kabel ? napájecí jednotka (110 V-230 V s vyměnitelnými zásuvkovými adaptéry), případně se dá napájet přímo z 12 V rozvodu automobilu ? čtvercový adaptér (č. 7707-2W, 7707-3W) ? fixační přípravek pro testování ve svislé a ve vodorovné poloze, takté pro měření pravotočivé a levotočivé. Měřící jednotky: N·m; ft·lb; in·lb. Lehce vyměnitelné snímače měřených hodnot se pájí na konzolu bezpečnostním připojením QuickRelease. Snímače měřených hodnot plochého provedení nejsou citlivé na příčné síly; automatické rozpoznávání snímačů měřených hodnot je mnohostranné a přátelské k uivateli, nebo se testy sa dají vykonávat v horizontálním a vertikálním směru, poloha displeje se dá také měnit; je k dispozici doplňkový stojan na uchycení displeje s kabelem délky 1,5 m, aby testování bylo dobře sledovatelné také v prípade větích momentových klíčů; měřící rozsah je mimořádně velký, cca od 2 % do 100 % jmenovité hodnoty. Softwer č. 7759-4 včetně USB - adaptéru a zástrčného kabelu umoňuje přenést naměřené hodnoty na PC (bez potřeby dalího napájacího zdroje, (napájení zabezpečeno z počítače). Při rekalibráci jednotlivých naměřených hodnot zůstává testovací přístroj na místě, můe se dál pouívat. Přípustná teplota okolí přístroje je irokého rozsahu (od -20 do +60 °C). Přístroj je certifikovaný pro 2. třídu a dle normy DIN 51309: 2005 a je v souladě se směrnicí DKD-R 3-8: 2003. S certifikátem. Dodává se v pevné krabici z umělé hmoty.
s DPH od 126 677,- Kč bez DPH od 104 692,- Kč