Popis produktu
Nástrčná hlavice prodlouená, metrická: DIN 3124/ISO 2725-1, E DIN EN 3710, E DIN EN 3709, ASME B 107.5M, americká: ASME B 107.1, Fed. Spec. GGG-W-641, SAE AS 954-E, HPQ®-Ocel vysoké kvality, chromovaná.
Produktové číslo: 51 13
Výrobce: Stahlwille
Specifikace
Varianty
| Číslo | Skladem | A mm/" |
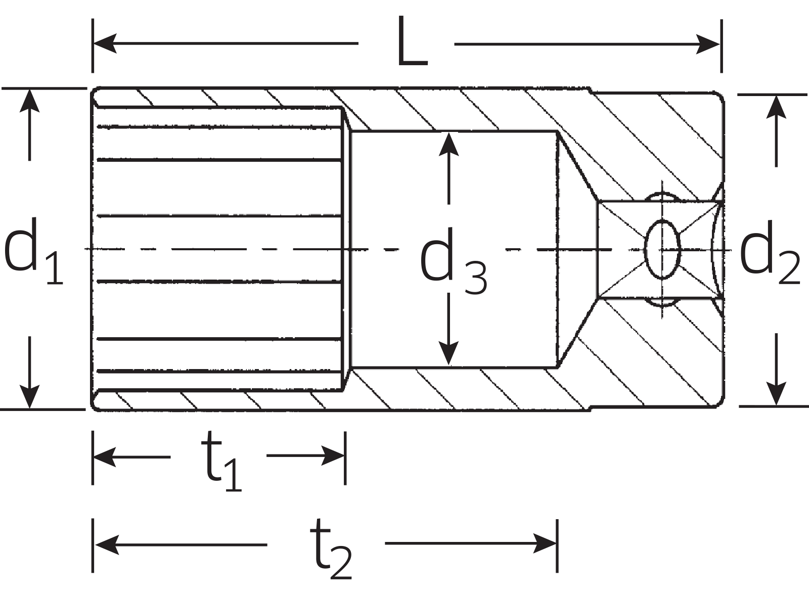
d1 mm |
d2 mm |
d3 mm |
L mm |
t1 mm |
t2 mm |
S |
R g |
|
|---|---|---|---|---|---|---|---|---|---|---|---|
| 51 10 | 0 | 10 | 14,5 | 22 | 9 | 83 | 19 | 67 | 10 | 90 |
|
| 51 13 | 1 | 13 | 18,3 | 22 | 12 | 83 | 35 | 67 | 10 | 122 |
|
| 51 14 | 1 | 14 | 19,9 | 22,7 | 13 | 83 | 35 | 65,2 | 10 | 129 |
|
| 51 15 | 0 | 15 | 21,2 | 22,7 | 14 | 83 | 35 | 64,9 | 10 | 132 |
|
| 51 16 | 0 | 16 | 22,4 | 23,7 | 15 | 83 | 35 | 64,6 | 10 | 145 |
|
| 51 17 | 1 | 17 | 24 | 23,7 | 16 | 83 | 35 | 64,3 | 10 | 132 |
|
| 51 18 | 0 | 18 | 24,7 | 23,7 | 17 | 83 | 35 | 64,1 | 10 | 170 |
|
| 51 19 | 2 | 19 | 26,2 | 25 | 18 | 83 | 35 | 66,7 | 10 | 186 |
|
| 51 21 | 0 | 21 | 28,7 | 26,5 | 20 | 83 | 35 | 66,2 | 10 | 231 |
|
| 51 22 | 0 | 22 | 29,7 | 27,5 | 21 | 83 | 35 | 65,5 | 10 | 200 |
|
| 51 24 | 5 | 24 | 32 | 30 | 21 | 83 | 35 | 66,1 | 5 | 280 |
|
| 51 26 | 0 | 26 | 34,4 | 32,5 | 23 | 83 | 35 | 65,3 | 5 | 334 |
|
| 51 32 | 0 | 32 | 42,4 | 40 | 29 | 83 | 35 | 63,9 | 5 | 461 |
|