Popis produktu
Nástrčná hlavice prodlouená, metrická: DIN 3124/ISO 2725-1, E DIN EN 3710, E DIN EN 3709, ASME B 107.5M, americká: ASME B 107.1, Fed. Spec. GGG-W-641, SAE AS 954-E, HPQ®-Ocel vysoké kvality, chromovaná.
Produktové číslo: 51 16-5/8
Výrobce: Stahlwille
Specifikace
Varianty
| Číslo | Skladem | A mm/" |
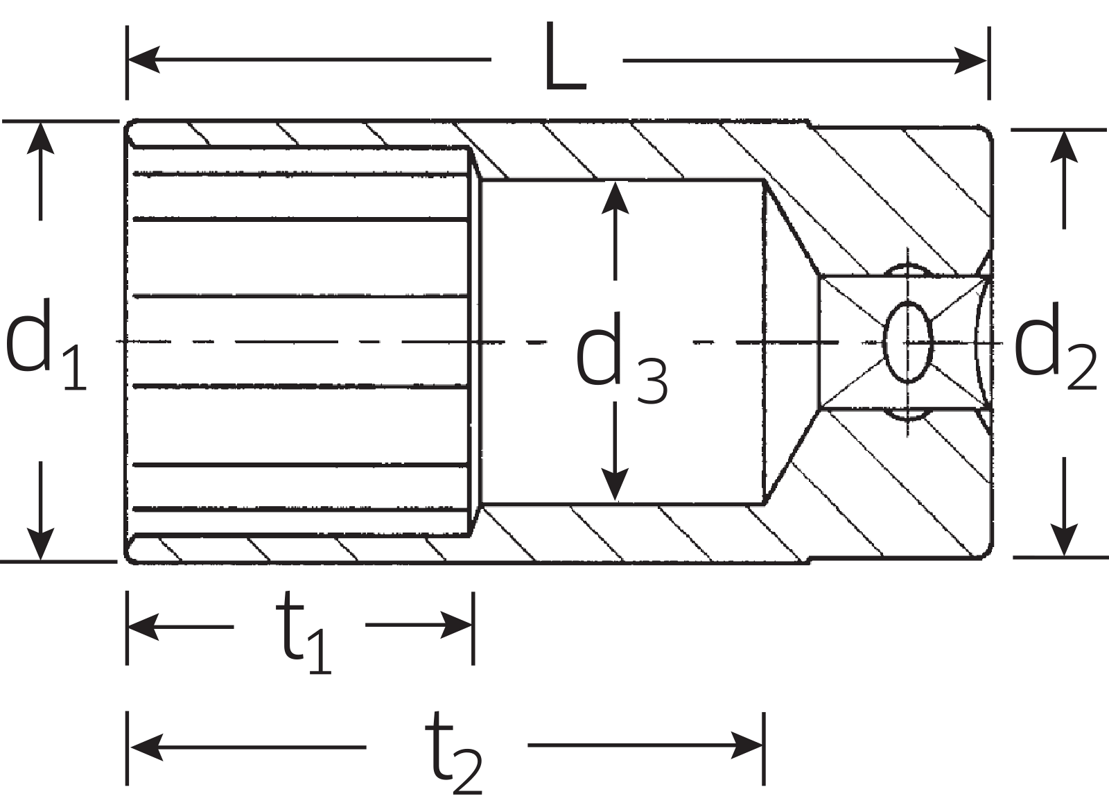
d1 mm |
d2 mm |
d3 mm |
L mm |
t1 mm |
t2 mm |
S |
R g |
|
|---|---|---|---|---|---|---|---|---|---|---|---|
| 51 20,8-13/16 | 0 | 20,8-13/16 1 | 27,7 | 26 | 20 | 83 | 22 | 66,2 | 10 | 194 |
|
| 51 16-5/8 | 0 | 16-5/8 1 | 22,4 | 23,7 | 15,4 | 83 | 19 | 64,5 | 10 | 137 |
|