info

Nástrčná hlavice 20,8-13/16 1) " 83mm

Stahlwille
s DPH 915,- Kč
bez DPH 756,- Kč
Není skladem
Produktový list

Popis produktu

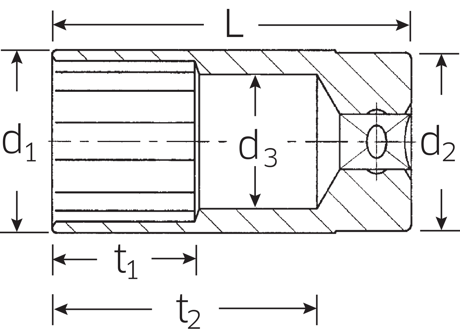
Nástrčná hlavice prodlouená, metrická: DIN 3124/ISO 2725-1, E DIN EN 3710, E DIN EN 3709, ASME B 107.5M, americká: ASME B 107.1, Fed. Spec. GGG-W-641, SAE AS 954-E, HPQ®-Ocel vysoké kvality, chromovaná.
Produktové číslo: 51 20,8-13/16
Výrobce: Stahlwille

Varianty

Číslo Skladem A
mm/"
d1
mm
d2
mm
d3
mm
L
mm
t1
mm
t2
mm
S
R
g
51 20,8-13/16 0 20,8-13/16 1 27,7 26 20 83 22 66,2 10 194
51 16-5/8 0 16-5/8 1 22,4 23,7 15,4 83 19 64,5 10 137

Naposledy prohlížené