info

Nástrčná hlavice 1 1/2" 83mm

Stahlwille
s DPH 1 294,- Kč
bez DPH 1 070,- Kč
Není skladem
Produktový list

Popis produktu

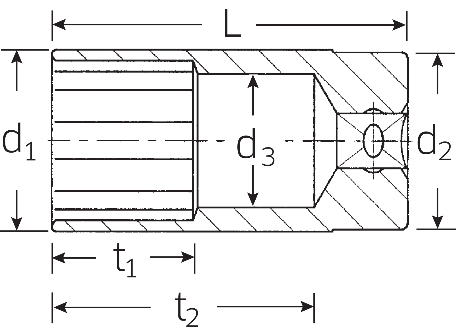
Nástrčná hlavice predlouená, metrická: DIN 3124/ISO 2725-1, E DIN EN 3710, E DIN EN 3709, ASME B 107.5M, americká: ASME B 107.1, Fed. Spec. GGG-W-641, SAE AS 954-E, HPQ®-Ocel vysoké kvality, chrómovaná.
Produktové číslo: 51 A 1 1/2
Výrobce: Stahlwille

Varianty

Číslo Skladem A
"
d1
mm
d2
mm
d3
mm
L
mm
t1
mm
t2
mm
S
R
g
51A 3/8 0 3/8 14,3 22 8,3 83 19 67 5 93
51A 7/16 0 7/16 16,3 22 9,9 83 19 67 5 102
51A 1/2 0 1/2 18,3 22 11,5 83 35 67 5 122
51A 9/16 0 9/16 20,3 22,7 13,1 83 35 65,2 5 131
51A 5/8 0 5/8 22,4 23,7 15 83 35 64,6 5 145
51A 11/16 0 11/16 24,2 23,7 16,5 83 35 64,2 5 158
51A 3/4 0 3/4 26,2 25 18 83 35 66,7 5 188
51A 13/16 0 13/16 27,7 26 19,5 83 35 66,3 5 170
51A 7/8 1 7/8 29,7 27,5 21 83 35 65,9 5 200
51A 15/16 0 15/16 32 30 22,6 83 35 65,7 5 281
51A 1 0 1 33,7 32 24,2 83 35 65 5 260
51 A 1 1/16 0 1 1/16 36,2 34 25,8 83 35 64,5 5 359
51A 1 1/8 0 1 1/8 38,1 36 27,4 83 35 64 5 300
51 A 1 3/16 0 1 3/16 39 37 28 83 35 63,9 5 377
51A 1 1/4 0 1 1/4 40 38 30,5 83 35 63,1 5 433
51 A 1 5/16 0 1 5/16 41,8 40 32,1 83 35 62,7 5 479
51 A 1 3/8 0 1 3/8 46 44 33,7 83 35 62,2 5 506
51 A 1 7/16 0 1 7/16 49,4 47 34 83 35 62,1 5 635
51 A 1 1/2 0 1 1/2 51 49 35 83 35 61,8 5 675

Naposledy prohlížené

skladem
Wiha

BIT ŠESTIHRAN

Zvýší vaši efektivnost: Specialista s životností 120x delší díky patentované technologii nástavců, vhodný pro všechny šrouby. (*ve srovnání se standardním nástavcem Wiha)Sníží vaše náklady: Nástavec lze díky červenému označení rychle a jednoduše najít – s UV světlem dokonce i ve tmavém prostředí. Šetří čas: Žádné dlouhé hledání díky barevným svíticím nástavcům, krátká doba výměny nástavce díky dlouhé životnosti.Použití: Vhodné pro všechny druhy šroubů. Vhodné také pro šroubovák Impact a rázový utahovák.Dosud při kupování nástavců nebylo úplně jasné, které nástavce jsou vhodné pro kterou aplikaci. Wiha končí se složitostí mezi použitým strojem, šroubováním a velkým výběrem různých nástavců. Díky revoluční koncepci nástavců Wiha je pro výběr správného nástavce rozhodující pouze tvar šroubu.Jako multitalent je nástavec TY vhodný pro všechny druhy šroubů, jak pro šrouby ve tvaru T, tak i pro šrouby ve tvaru Y, a tím představuje ideální nástroj pro šroubení do všech materiálů. Díky patentované, prodloužené torzní zóně je nástavec také vhodný pro šroubováky Impact a nárazové utahováky a zaručuje 120x delší životnost ve srovnání se standardními nástavci Wiha. Navíc lze barevné nástavce rychle a jednoduše najít a díky barevnému plášti je dobře najdete i ve tmě za pomoci UV světla. Může se tak snížit počet ztracených nástavců a náklady na nové pořízení.Obsah:5x Nástavec TY 49 mm Šestihran 1/4" SW4
s DPH od 221,- Kč bez DPH od 182,28 Kč