Popis produktu
Nástrčná hlavice predlouená, metrická: DIN 3124/ISO 2725-1, E DIN EN 3710, E DIN EN 3709, ASME B 107.5M, americká: ASME B 107.1, Fed. Spec. GGG-W-641, SAE AS 954-E, HPQ®-Ocel vysoké kvality, chrómovaná.
Produktové číslo: 51 A 1 3/16
Výrobce: Stahlwille
Specifikace
Varianty
| Číslo | Skladem | A " |
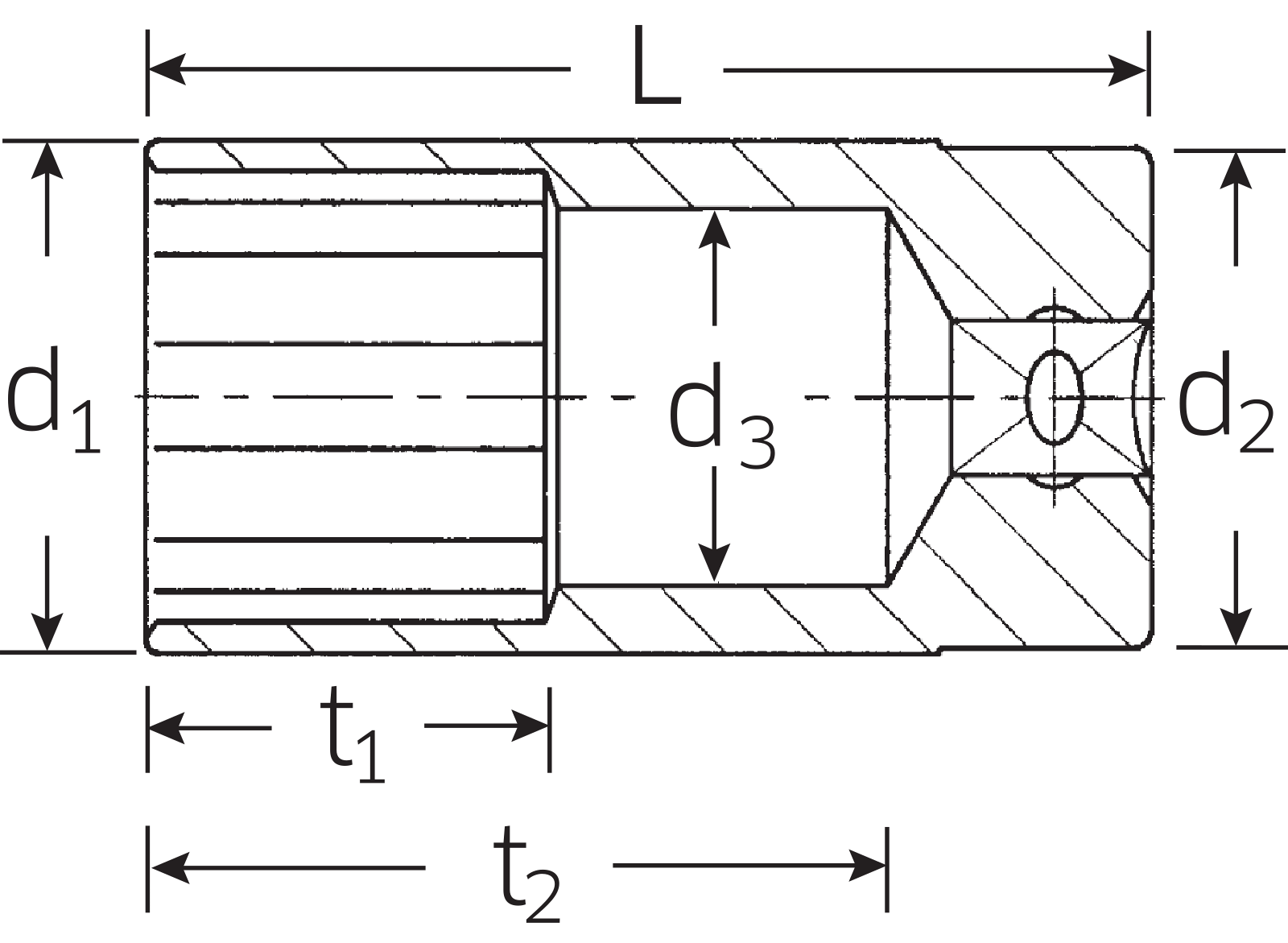
d1 mm |
d2 mm |
d3 mm |
L mm |
t1 mm |
t2 mm |
S |
R g |
|
|---|---|---|---|---|---|---|---|---|---|---|---|
| 51A 3/8 | 0 | 3/8 | 14,3 | 22 | 8,3 | 83 | 19 | 67 | 5 | 93 |
|
| 51A 7/16 | 0 | 7/16 | 16,3 | 22 | 9,9 | 83 | 19 | 67 | 5 | 102 |
|
| 51A 1/2 | 0 | 1/2 | 18,3 | 22 | 11,5 | 83 | 35 | 67 | 5 | 122 |
|
| 51A 9/16 | 0 | 9/16 | 20,3 | 22,7 | 13,1 | 83 | 35 | 65,2 | 5 | 131 |
|
| 51A 5/8 | 0 | 5/8 | 22,4 | 23,7 | 15 | 83 | 35 | 64,6 | 5 | 145 |
|
| 51A 11/16 | 0 | 11/16 | 24,2 | 23,7 | 16,5 | 83 | 35 | 64,2 | 5 | 158 |
|
| 51A 3/4 | 0 | 3/4 | 26,2 | 25 | 18 | 83 | 35 | 66,7 | 5 | 188 |
|
| 51A 13/16 | 0 | 13/16 | 27,7 | 26 | 19,5 | 83 | 35 | 66,3 | 5 | 170 |
|
| 51A 7/8 | 1 | 7/8 | 29,7 | 27,5 | 21 | 83 | 35 | 65,9 | 5 | 200 |
|
| 51A 15/16 | 0 | 15/16 | 32 | 30 | 22,6 | 83 | 35 | 65,7 | 5 | 281 |
|
| 51A 1 | 0 | 1 | 33,7 | 32 | 24,2 | 83 | 35 | 65 | 5 | 260 |
|
| 51 A 1 1/16 | 0 | 1 1/16 | 36,2 | 34 | 25,8 | 83 | 35 | 64,5 | 5 | 359 |
|
| 51A 1 1/8 | 0 | 1 1/8 | 38,1 | 36 | 27,4 | 83 | 35 | 64 | 5 | 300 |
|
| 51 A 1 3/16 | 0 | 1 3/16 | 39 | 37 | 28 | 83 | 35 | 63,9 | 5 | 377 |
|
| 51A 1 1/4 | 0 | 1 1/4 | 40 | 38 | 30,5 | 83 | 35 | 63,1 | 5 | 433 |
|
| 51 A 1 5/16 | 0 | 1 5/16 | 41,8 | 40 | 32,1 | 83 | 35 | 62,7 | 5 | 479 |
|
| 51 A 1 3/8 | 0 | 1 3/8 | 46 | 44 | 33,7 | 83 | 35 | 62,2 | 5 | 506 |
|
| 51 A 1 7/16 | 0 | 1 7/16 | 49,4 | 47 | 34 | 83 | 35 | 62,1 | 5 | 635 |
|
| 51 A 1 1/2 | 0 | 1 1/2 | 51 | 49 | 35 | 83 | 35 | 61,8 | 5 | 675 |
|