info

Rázová INHEX nástrčná hlavice IMPACT 14mm L,43mm

Stahlwille
s DPH 512,- Kč
bez DPH 423,- Kč
Není skladem
Produktový list

Popis produktu

IMPACT - hlavice INHEX 1/2" [a pohon, pro rouby s vnitřním ěstihranem, pro strojní roubovák, chromem legovaná ocel, černěná.
Produktové číslo: 54 IMP 14
Výrobce: Stahlwille

Varianty

Číslo Skladem B
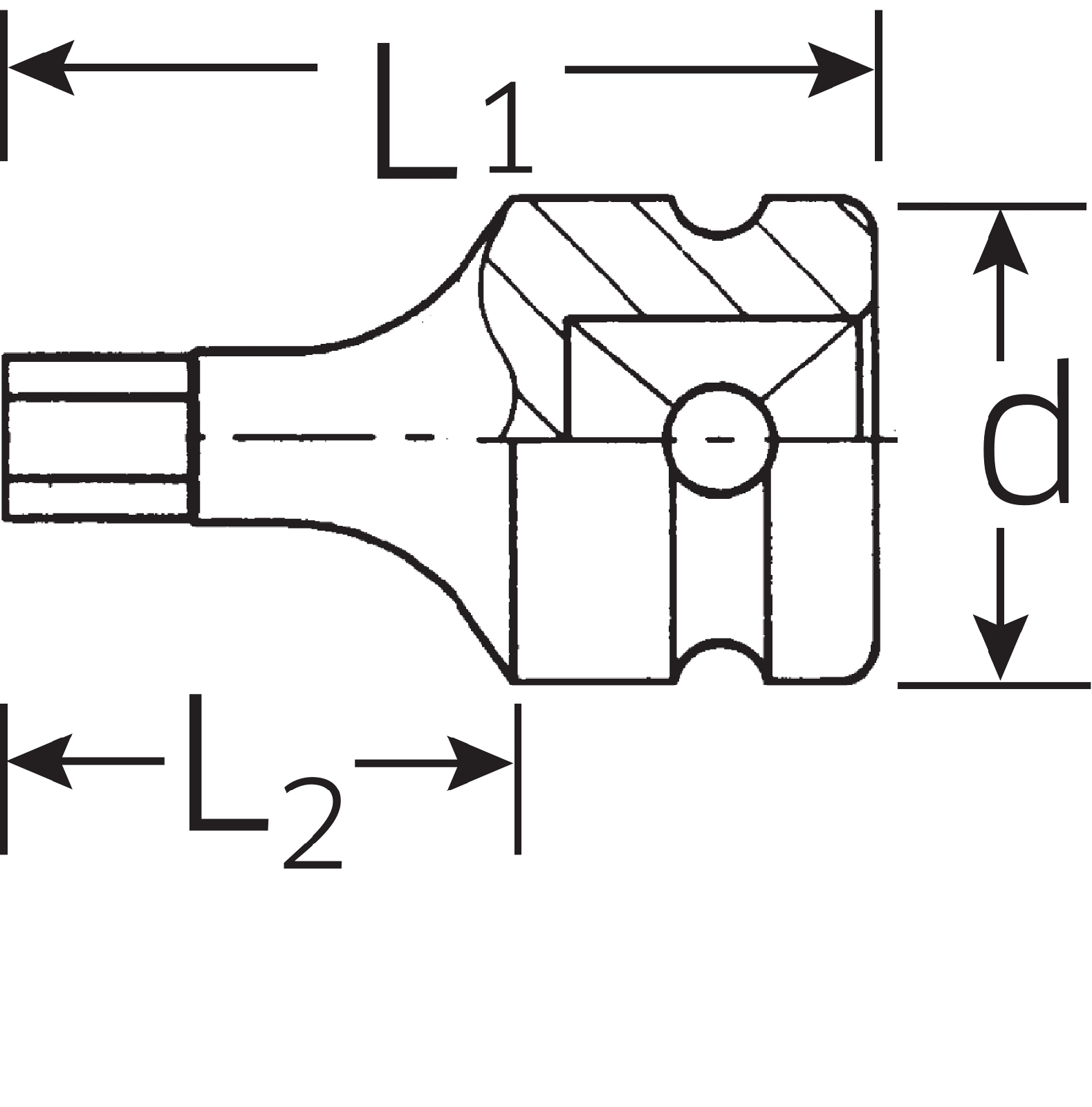
mm
L1
mm
L2
mm
d
mm
R
g
S
54 IMP 5 0 5 38 15 25 58 5
54 IMP 6 0 6 38 15 25 59 5
54 IMP 7 0 7 38 15 25 60 5
54 IMP 8 0 8 38 15 25 61 5
54 IMP 10 0 10 40 17 25 67 5
54 IMP 12 0 12 42 19 30 111 5
54 IMP 14 0 14 43 20 30 118 5
54 IMP 17 0 17 45 22 30 134 5
54 IMP 19 0 19 50 27 30 164 5

Naposledy prohlížené

skladem
Knipex

KLEŠTĚ ŠTÍPACÍ BOČNÍ PŘESNÉ PRO ELEKTRONIKU ESD

Popis: • rukojeti elektricky svodivé - disipativní • precizní kleště pro nejjemnější stříhací práce např. v elektronice a jemné mechanice • velmi přesně broušené, ostré břity s velmi malými fazetami na přesné řezy u citlivých elektronických součástek, rovněž bez fazet pro přesné odštípnutí • břity doplňkově induktivně tvrzené, tvrdost břitů asi 64 HRC kováno • hmotnost cca o 20 % nižší než u konvenčních kleští na elektroniku • šroubový kloub s precizně vyrobenými kloubními plochami pro rovnoměrný pohyb s malým třením v celém rozsahu rozevření. • dvojitá pružina s malým odporem pro snadné a rovnoměrné rozevření. • ergonomicky optimalizované vícesložkové návleky rukojetí • kováno z chrom-vanadové oceli na kuličková ložiska Model: • špičatá hlava Nepatrný rozdíl • Přesné kleště KNIPEX na elektroniku jsou vyrobeny z vysoce kvalitní oceli na kuličková ložiska a zpracovány s maximální pečlivostí. Každé rozevření probíhá bez vůle, jemně a rovnoměrně. Každá pracovní operace je provedena spolehlivě a přesně. Kleště ESD (Electrostatic discharge) • elektrostatická elektřina se u těchto kleští pomalu a kontrolovaně odvádí rukojeťmi to chrání konstrukční součásti ohrožené elektrostatickým výbojem v souladu s platnými normami, např. IEC TR 61 340-5, DIN EN 61 340-5, SP metoda 2472 Technické atributy: No. 79 42 125 ESD EAN 4003773061571 Rukojeti: s vícesložkovými návleky Hlava: leštěno Kleště: brunýrované Tvar 4 Střižný průměr pro měkký drát 0,1 - 1,5 mm Střižný průměr pro polotvrdý drát 0,8 mm A 11 mm B 11 mm D 6,5 mm Délka: 125 mm Hmotnost netto: 58 g
s DPH od 1 930,- Kč bez DPH od 1 595,- Kč