info

Vidlicový klíč CROW-FOOT HEAVY-DUTY 1 1/2" vnitřní čtyřhran 1/2" 76mm

Stahlwille
s DPH 2 693,- Kč
bez DPH 2 226,- Kč
Není skladem
Produktový list

Popis produktu

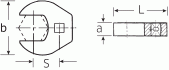
CROW FOOT klíč Heavy Duty na obzvlá vysoké zatíení, např. roubové spojení z ulechtilé oceli. Úplné vyuití otvoru klíče v kombinaci se standardní ráčnou. Pozor! Změna nastavené hodnoty momentových klíčů, chromované. Dodávka bez ráčny.
Produktové číslo: 540A HD SW 1.1/2
Výrobce: Stahlwille

Varianty

Číslo Skladem A
"
a
"
L
mm
b
mm
a
mm
S
mm
R
g
S
540A HD SW2" 0 2 1/2 89 90 16 52,3 451 1
540A HD 2 1/4 0 2 1/4 1/2 95 99 16 56 500 1
540A HD SW 2 3/16 0 2 3/16 1/2 93 96 16 55,1 480 1
540A HD SW 3/8 0 3/8 3/8 39 26 11 24 58 1
540A HD SW 7/16 0 7/16 3/8 40 26 11 25 58 1
540A HD SW 1/2 0 1/2 3/8 42 30 11 25,8 67 1
540A HD SW 9/16 0 9/16 3/8 43,4 32 11 26,8 52 1
540A HD SW 5/8 0 5/8 3/8 45 34,8 11 27,7 58 1
540A HD SW 11/16 0 11/16 3/8 47,2 38 11 28,6 69 1
540A HD SW 3/4 0 3/4 3/8 49 41 11 29,6 96 1
540A HD SW 13/16 0 13/16 3/8 51 46,4 11 30,5 113 1
540A HD SW 7/8 0 7/8 3/8 52 48 11 31,3 99 1
540A HD SW 15/16 0 15/16 3/8 54 51,2 11 32,3 129 1
540A HD SW 1" 0 1 3/8 56 53,4 11 33,2 133 1
540A HD SW 1.1/16 0 1 1/16 3/8 57 53,8 11 34,1 124 1
540A HD SW 1.1/8 0 1 1/8 3/8 59 53,8 11 35 128 1
540A HD SW 1.3/16 0 1 3/16 3/8 60 56 11 35,9 148 1
540A HD SW 1.1/4 0 1 1/4 3/8 62 60 11 36,8 153 1
540A HD SW 1.5/16 0 1 5/16 3/8 63 56 11 27,9 160 1
540A HD SW 1.3/8 0 1 3/8 3/8 65 62 11 38,7 180 1
540A HD SW 1.7/16 0 1 7/16 3/8 66,5 66 11 39,6 172 1
540A HD SW 1.1/2 0 1 1/2 1/2 76 70 16 45 310 1
540A HD SW 1.13/16 0 1 13/16 1/2 85 84 16 49,6 400 1
540A HD SW 2.1/8 0 2 1/8 1/2 91,5 92,8 16 54,2 460 1

Naposledy prohlížené

není skladem
Stahlwille

1120 TCS - Dílenská sada pro VW/Audi (základní)

Dílenská sada pro VW/Audi (základní) 210 ks nářadí v TSC vlokách, vloky 7x1/3, 1x2/3 a 4x3/3 do 7 ks zásuvek (č. 91P ke 3,5 zásuvkám). ----------------------------------------------------------------------------------------------------------------------------------------------------------------------------------------------------------------------------------------- Č. 13 rozměr klíče 6; 7; 8; 9; 10; 11; 12; 13; 14; 15; 16; 17; 18; 19; 21; 22; 24; 27; 30; 32 mm Č. 20 rozměr klíče 6 x 7; 8 x 9; 10 x 11; 12 x 13; 14 x 15; 16 x 17; 18 x 21; 19 x 22; 24 x 27; 30 x 32 mm Č. 24 rozměr klíče 10 x 11 mm Č. 17 rozměr klíče 8; 10; 12; 13; 17; 19 mm Č. 40 1/4" [a rozměr klíče 4; 5; 5,5; 6; 7; 8; 9; 10; 11; 12; 13; 14 mm Č. 44K 1/2" [a rozměr klíče 3; 4; 5; 6 mm Č. 40TX 1/4" [a velikost E4; E5; E6; E8 Č. 44KTX 1/4" [a velikost T10; T15; T20; T25; T27 Č. 41K 1/4" [a 1,0 x 5,5 mm Č. 44P 1/4" [a velikost 1; 2 Č. 400 1/4" [D 150 mm Č. 405W/2 1/4" [D [a 54 mm Č. 405W/4 1/4" [D [a 100 mm Č. 405W/6 1/4" [D [a 150 mm Č. 407 1/4" [D [a 38 mm Č. 412 1/4" [b [a Č. 415 1/4" [D Č. 409 3/8" [D 1/4" [a Č. 431 1/4" [D 3/8" [a Č. 432 1/2" [D 3/8" [a Č. 50 1/2" [a rozměr klíče 8; 9; 10; 12; 13; 14; 15; 16; 17; 18; 19; 21; 22; 24; 27; 30; 32 mm Č. 52 1/2" [a rozměr klíče 10; 11; 12; 13; 14; 15; 16; 17; 18; 19; 20; 21; 22; 24; 27; 30; 32 mm Č. 54 1/2" [a rozměr klíče 5; 6; 7; 8; 10; 12; 14; 17; 19 mm Č. 54KK 1/2" [a rozměr klíče 5; 6; 7; 8; 10 mm Č. 54X 1/2" [a velikost M5; M6; M8; M10; M12; M14; M16 Č. 59X 3/4" [a velikost M18 Č. 1054X/M8 1/2" [a 80 mm Č. 3054X/M10 1/2" [a 140 mm Č. 3054X/M12 1/2" [a 140 mm Č. 3054X/M14 1/2" [a 140 mm Č. 50TX 1/2" [a velikost E10; E12; E14; E16; E18; E20 Č. 54TX 1/2" [a velikost T25; T27; T30; T40; T45; T50; T55; T60 Č. 506 1/2" [D 300 mm Č. 509W/2 1/2" [D [a 52 mm Č. 509W/5 1/2" [D [a 130 mm Č. 509W/10 1/2" [D [a 255 mm Č. 510 1/2" [D [a 71 mm Č. 512 1/2" [D Č. 513 3/8" [D 1/2" [a Č. 514 3/4" [D 1/2" [a Č. 556 3/4" [D 320 mm Č. 558 510 mm Č. 568 1/2" [D 3/4" [a Č. 2309K 1/2" [a rozměr klíče 17; 19 mm Č. 50D IMP 1/2" [a rozměr klíče 32; 36 mm Č. 1410 velikost T6 Č. 1411 velikost T7 Č. 1412 velikost T8 Č. 1413 velikost T9 Č. 4724 velikost 1 (0,6 x 3,5 x 25 mm) Č. 4734 velikost 2 Č. 4620 velikost 1 (0,6 x 3,5 x 75 mm)velikost 2 (0,8 x 4,0 x 100 mm)velikost 3 (1,0 x 5,5 x 125 mm)velikost 4 (1,2 x 6,5 x 150 mm)velikost 5 (1,6 x 8,0 x 175 mm)velikost 6 (1,6 x 10,0 x 200 mm)velikost 7 (2,0 x 12,0 x 200 mm) Č. 4632 velikost 1; 2; 3 Č. 4622SK velikost 1 (0,8 x 4,0 x 90 mm)velikost 2 (1,0 x 5,5 x 100 mm)velikost 3 (1,2 x 6,5 x 125 mm) Č. 4632SK velikost 1; 2 Č. 4650 velikost T6; T7; T8; T9; T10; T15; T20; T25; T27; T30 Č. 10767/9 rozměr klíče 1,5; 2; 2,5; 3; 4; 5; 6; 8; 10 mm Č. 10771/8 velikost T9; T10; T15; T20; T25; T27; T30; T40 Č. 65 01 5 180 Č. 65 29 5 160 Č. 65 43 4 002 Č. 65 44 4 021 Č. 65 45 4 002 Č. 65 46 4 021 Č. 65 63 2 250 Č. 65 72 6 240 Č. 66 02 5 180 Č. 102 150; 200 mm Č. 105 120 x 10 mm Č. 108 150 x 3; 150 x 4; 150 x 5; 150 x 6; 150 x 8 mm Č. 10956 [O 35 mm Č. 10960 500 g Č. 11095/13 0,05-1 mm Č. 12320 Č. 12373 Č. 12600 500 g Č. 12718 Č. 12900/3 Č. 12920N Č. 12935/3 3 m Č. 39 Pkw 400 mm Č. 7756 -----------------------------------------------------------------------------------------------------------------------------------------------------------------------------------------------------------------------------------------
s DPH od 128 988,- Kč bez DPH od 106 601,60 Kč