info

Nástrčná hlavice 32mm 65mm

Stahlwille
s DPH 1 477,- Kč
bez DPH 1 221,- Kč
Není skladem
Produktový list

Popis produktu

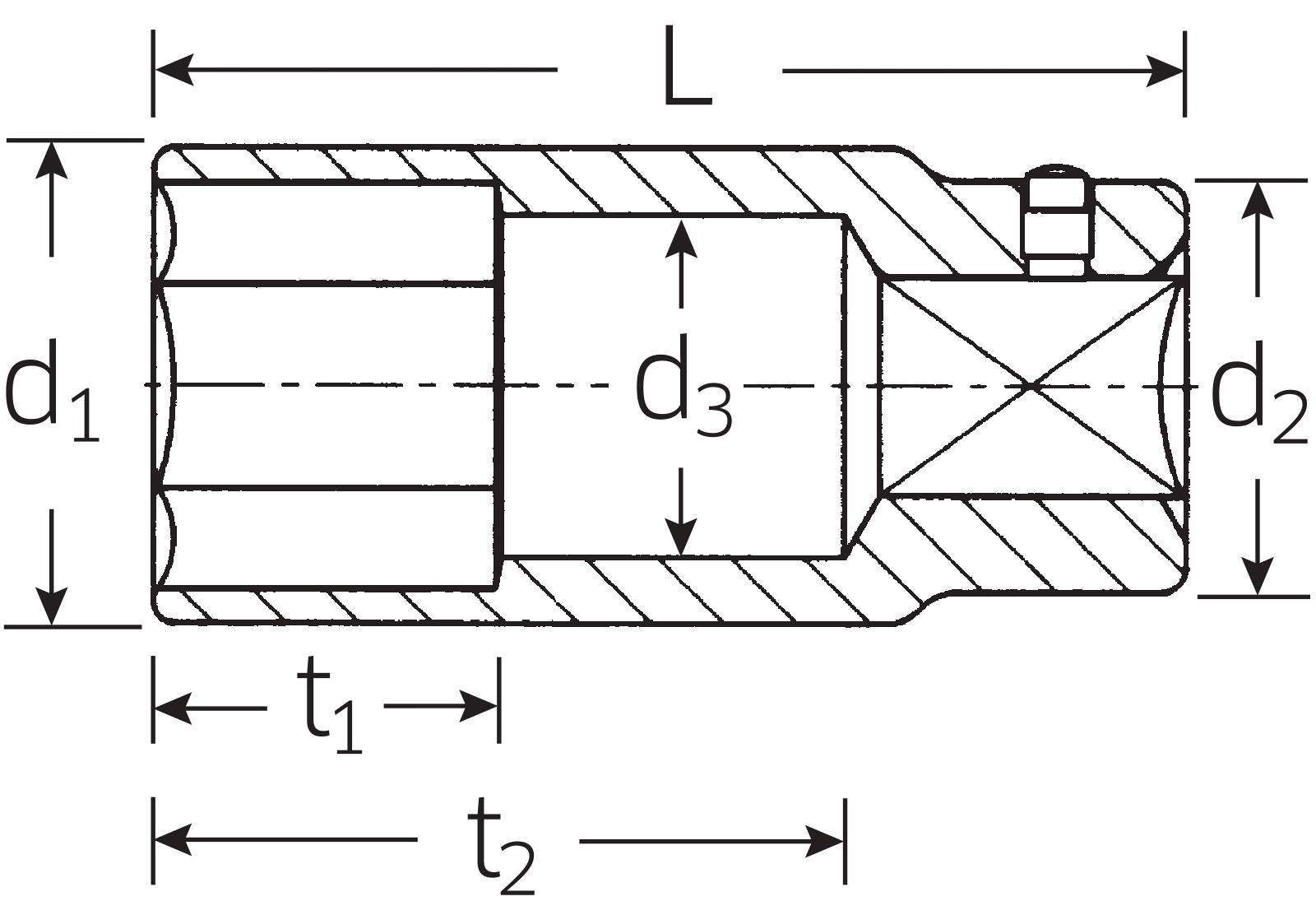
Nástrčná hlavice DIN 3124/ISO 2725-1, ASME B 107.5 M, prodlouená, AS-pohon a HPQ®-ocel vysoké kvality do rozměru klíče 36, chromovaná.
Produktové číslo: 56 32
Výrobce: Stahlwille

Varianty

Číslo Skladem A
mm
d1
mm
d2
mm
d3
mm
L
mm
t1
mm
t2
mm
R
g
S
56 22 0 22 32 34,7 19 90 40 64,2 374 5
56 24 0 24 34 34,7 21 90 40 63,6 341 5
56 27 0 27 38,5 38 24 90 40 62,8 443 5
56 30 0 30 42 38 27 90 40 65,6 477 5
56 32 0 32 44,5 38 29 90 40 65 526 2
56 34 0 34 47 40 31 90 40 64,4 562 2
56 36 0 36 49,5 40 33 90 40 63,9 620 2
56 41 0 41 55,5 40 38 90 40 58,5 714 2

Naposledy prohlížené

skladem
Wiha

BIT TORX® (T)

Zvýší vaši efektivnost: Specialista se 120x delší životností* díky optimalizovanému nástavci pro šrouby tvaru T (*ve srovnání se standardním nástavcem Wiha)Sníží vaše náklady: Nástavec lze díky modrému označení rychle a jednoduše najít – s UV světlem dokonce i ve tmavém prostředí. Šetří čas: Žádné dlouhé hledání díky barevným svíticím nástavcům, krátká doba výměny nástavce díky dlouhé životnosti.Použití: Vhodné ke šroubování šroubů tvaru T. Vhodné také pro šroubovák Impact a rázový utahovák.Pro instalaci do krabice pod omítku a protažení kabelů potřebuje elektromechanik několik ručních nástrojů s různými funkcemi, aby mohl svou práci vyřídit rychle a efektivně. Díky univerzálně použitelnému skládacímu metru Longlife pro elektromechaniky může být zároveň vykonáno několik pracovních kroků najednou. Tyčový metr přesvědčí integrovanou přídržnou funkcí pro kabely v rozmezí 3 až 7 mm, která usnadní vedení kabelu na těžko přístupném instalačním místě. Další výhodu při elektroinstalaci nabízí krabicová stupnice až pro 3 krabice pod omítku a značení vzdálenosti okraje při 150 mm. Díky oranžové barvě je možné tyčový metr na staveništi rychle a jednoduše najít, takže nedochází k časové ztrátě kvůli hledání ztracených nástrojů nebo kvůli jejich nahrazení. Dále je možné jej díky kapesní svítilně s UV světlem Wiha rychle najít i u špatných světelných poměrů. Tyčový metr tuhý v ohybu navíc přesvědčí maximální trvanlivostí a absolutní přesností.Obsah:25x Nástavec T 25 mm TORX® 1/4" T25
s DPH od 247,- Kč bez DPH od 204,12 Kč