Popis produktu
Nástrčná hlavice DIN 3124/ISO 2725-1, ASME B 107.5 M, prodlouená, AS-pohon a HPQ®-ocel vysoké kvality do rozměru klíče 36, chromovaná.
Produktové číslo: 56 34
Výrobce: Stahlwille
Specifikace
Varianty
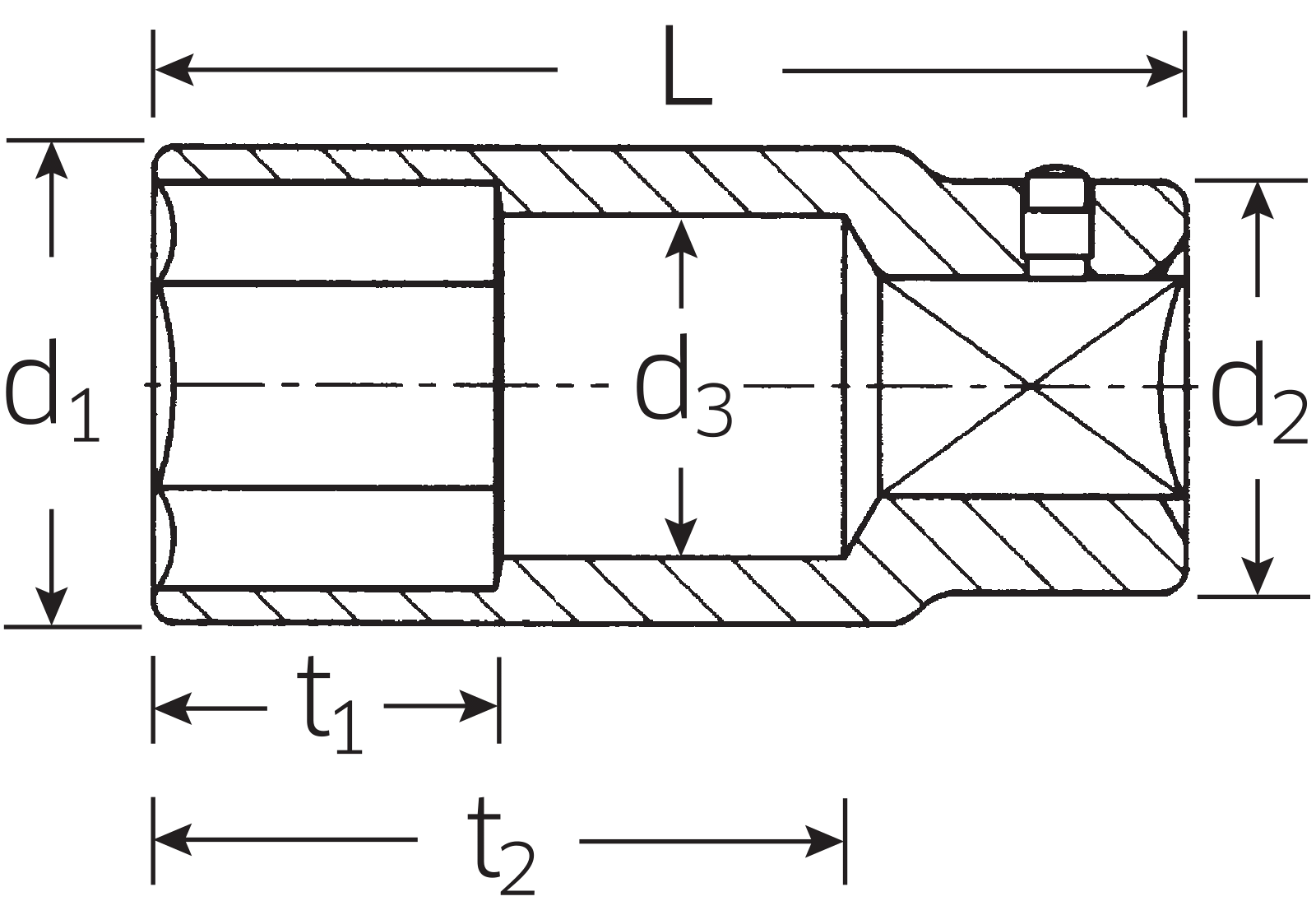
| Číslo | Skladem | A mm |
d1 mm |
d2 mm |
d3 mm |
L mm |
t1 mm |
t2 mm |
R g |
S |
|
|---|---|---|---|---|---|---|---|---|---|---|---|
| 56 22 | 0 | 22 | 32 | 34,7 | 19 | 90 | 40 | 64,2 | 374 | 5 |
|
| 56 24 | 1 | 24 | 34 | 34,7 | 21 | 90 | 40 | 63,6 | 341 | 5 |
|
| 56 27 | 0 | 27 | 38,5 | 38 | 24 | 90 | 40 | 62,8 | 443 | 5 |
|
| 56 30 | 1 | 30 | 42 | 38 | 27 | 90 | 40 | 65,6 | 477 | 5 |
|
| 56 32 | 0 | 32 | 44,5 | 38 | 29 | 90 | 40 | 65 | 526 | 2 |
|
| 56 34 | 0 | 34 | 47 | 40 | 31 | 90 | 40 | 64,4 | 562 | 2 |
|
| 56 36 | 1 | 36 | 49,5 | 40 | 33 | 90 | 40 | 63,9 | 620 | 2 |
|
| 56 41 | 0 | 41 | 55,5 | 40 | 38 | 90 | 40 | 58,5 | 714 | 2 |
|