info

Nástrčná hlavice 36mm 63,9mm

Stahlwille
s DPH 1 711,- Kč
bez DPH 1 414,- Kč
Není skladem
Produktový list

Popis produktu

Nástrčná hlavice DIN 3124/ISO 2725-1, ASME B 107.5 M, prodlouená, AS-pohon a HPQ®-ocel vysoké kvality do rozměru klíče 36, chromovaná.
Produktové číslo: 56 36
Výrobce: Stahlwille

Varianty

Číslo Skladem A
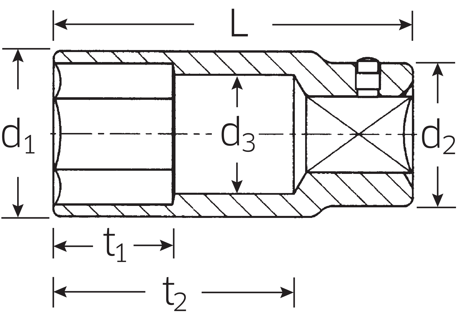
mm
d1
mm
d2
mm
d3
mm
L
mm
t1
mm
t2
mm
R
g
S
56 22 0 22 32 34,7 19 90 40 64,2 374 5
56 24 0 24 34 34,7 21 90 40 63,6 341 5
56 27 0 27 38,5 38 24 90 40 62,8 443 5
56 30 0 30 42 38 27 90 40 65,6 477 5
56 32 0 32 44,5 38 29 90 40 65 526 2
56 34 0 34 47 40 31 90 40 64,4 562 2
56 36 0 36 49,5 40 33 90 40 63,9 620 2
56 41 0 41 55,5 40 38 90 40 58,5 714 2

Naposledy prohlížené

není skladem
Stahlwille

7794-2 - Automatická kalibrační stolice do 400 N·m

Motoricky poháňené kalibrační a nastavovací zařízení od 1 do 400 N·m Elektronické perfectControl kalibrační zařízení s elektrickým pohonem sniuje v podstatné míře vynaloené síly a spotřebu času na kalibraci a nastavování momentových klíčů. měření bez posunutí bodu silového působení. zabránění chybných měření za pomoci precizně uloeného vřetena (osy) a citlivě kontrolovaných motorů. extrémně precizní kalibrování optimalizováním skladování a čtyřhranem snímače nameřených hodnot. rychlá a bezproblémová výměna snímače naměřených hodnot pomocí QuickRelease - zablokovaní. komfortní ovládání tlačítek při měření ve směru pohybu hodinových ručiček a v protisměru pohybu hodinových ručiček s automatickým přizpůsobením rychlosti. časová úspora fixovaním mostovou podpěrou s excentrickým drákem ovladatelným jednou rukou. přenos naměřených hodnot přes USB - rozhraní na PC na dalí zpracování a archivaci. kalibrační list můe být po kalibraci vytitění nebo uloený v PDF-soubor. vstupy a výstupy kalibrace mohou být zdokumentovány. při kalibraci je DIN EN ISO 6789: 2003 podporované v četných jazycích. Dalí normy a dílenské specifikace na poádání. rozířitelný k perfectControl kalibračnímu zařízení č. 7794-3 ke klíči měření uhle pootočení. kalibrace do 1000 N·m s pomocí jednodue namontovatelným prodlouením č. 7791-1
s DPH na dotaz